GM Service Manual Online
For 1990-2009 cars only
Makes
🢒
Cadillac
🢒
2007
🢒
Escalade EXT
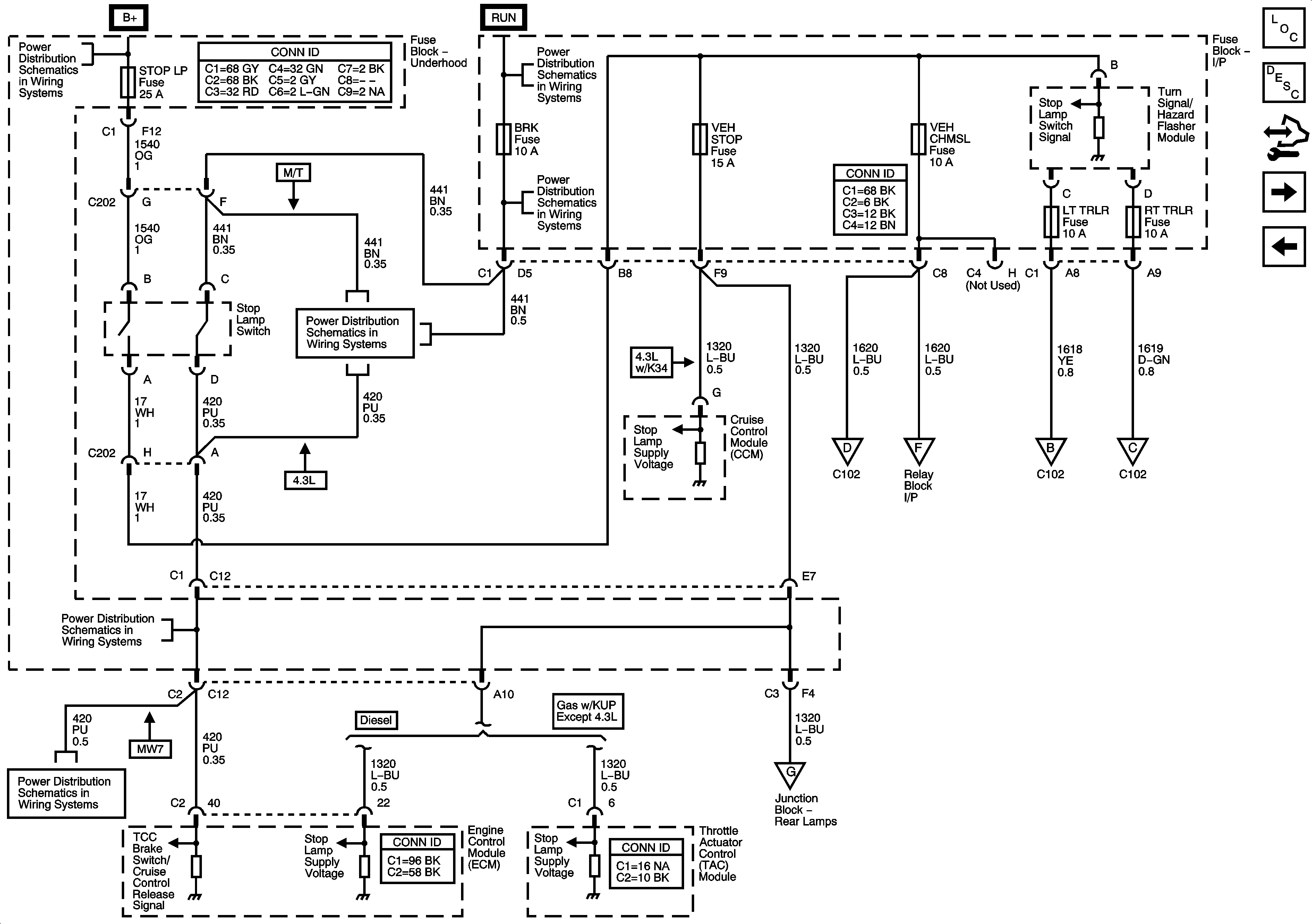
🢒 Stop Lamp Switch and Signals
Stop Lamp Switch and Signals
Stop Lamp Switch and Signals
Master Electrical Component List
Exterior Lighting Systems Description and Operation
Control Module References
Stop Lamps
Left Rear Park Lamps - Chevrolet
B+ Bus Bar
Ignition Switch - START, RUN, and ACC/RUN/START BUS BARS, IGN A and CRNK Fuses
4WD, BRK, CRUISE, HTR/AC and HVAC 1 Fuses
4WD, BRK, CRUISE, HTR/AC and HVAC 1 Fuses
Trailer and Camper Wiring
Stop Lamps
Trailer and Camper Wiring
Trailer and Camper Wiring
4WD, BRK, CRUISE, HTR/AC and HVAC 1 Fuses
4WD, BRK, CRUISE, HTR/AC and HVAC 1 Fuses
Stop Lamps