GM Service Manual Online
For 1990-2009 cars only
Makes
🢒
Cadillac
🢒
2007
🢒
Escalade EXT
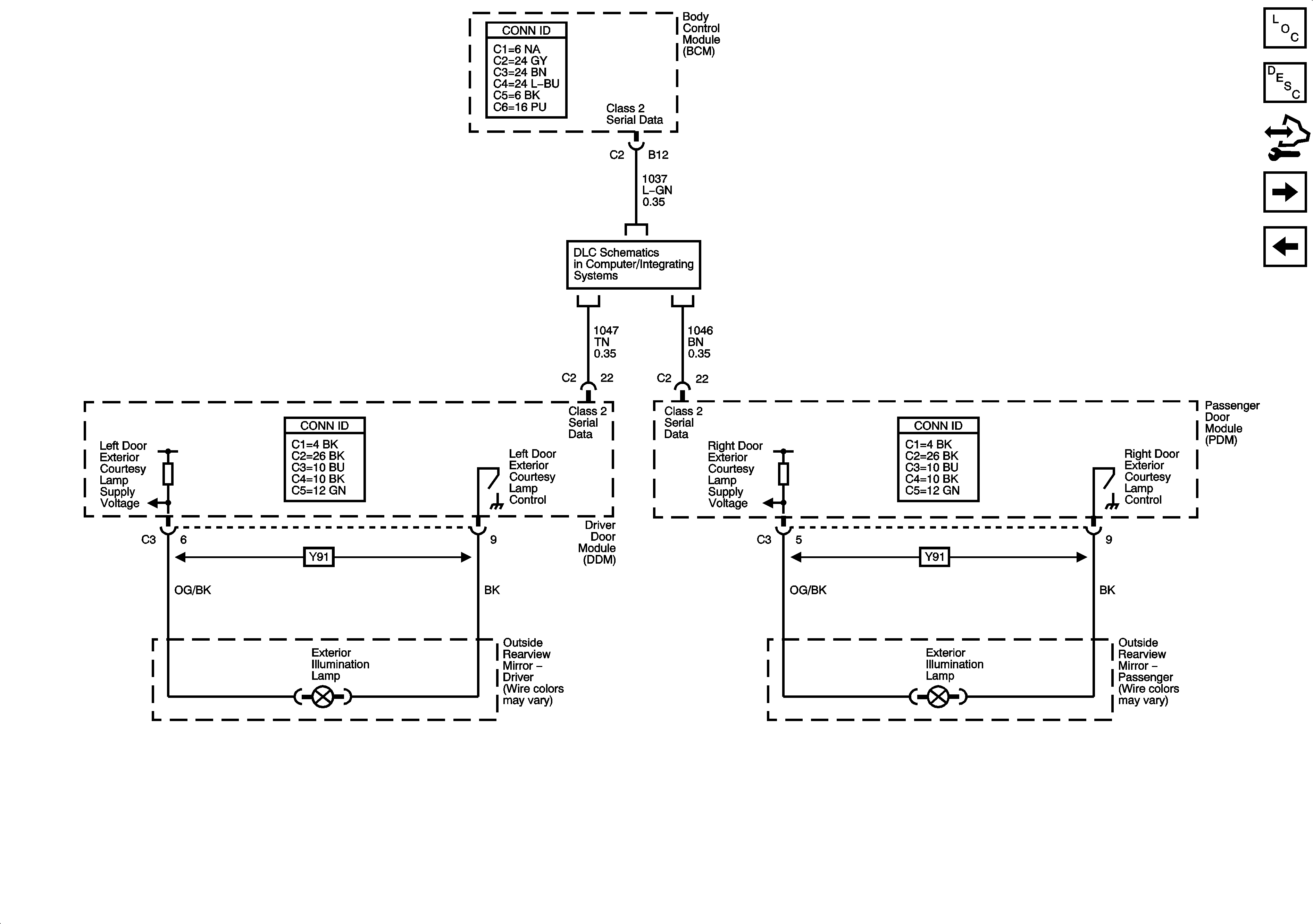
🢒 Exterior Illumination Lamp
Exterior Illumination Lamp
Exterior Illumination Lamp
Master Electrical Component List
Exterior Lighting Systems Description and Operation
Control Module References
Backup Lamps (Except MW7)
Turn Signals - Chevrolet
Power, Ground, DLC, and Splice Pack SP205