GM Service Manual Online
For 1990-2009 cars only
Makes
🢒
Cadillac
🢒
2007
🢒
Escalade EXT
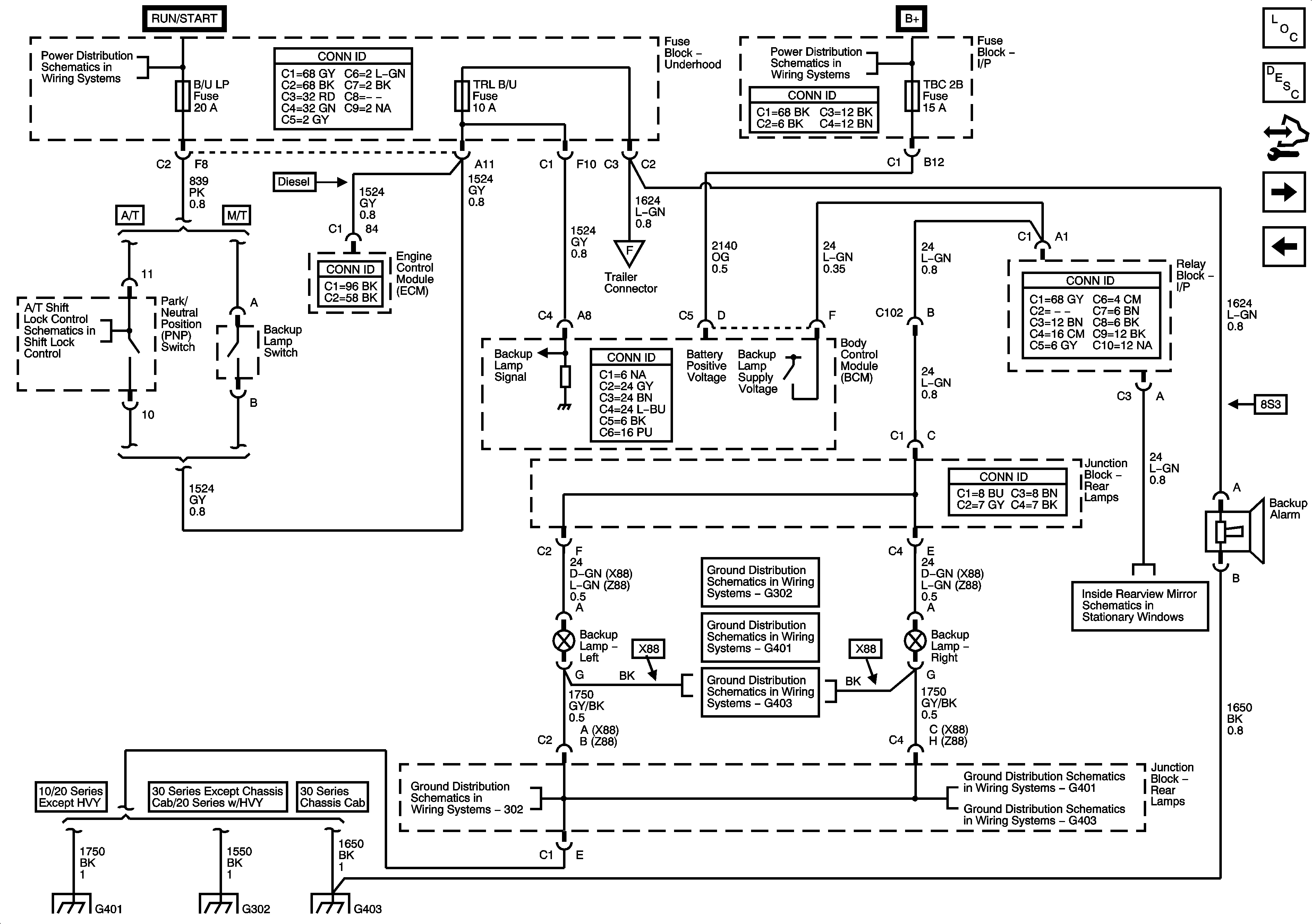
🢒 Backup Lamps (Except MW7)
Backup Lamps (Except MW7)
Backup Lamps (Except MW7)
Master Electrical Component List
Exterior Lighting Systems Description and Operation
Control Module References
Backup Lamps (MW7)
Exterior Illumination Lamp
Ignition Switch - ACC/RUN and RUN/START BUS BARS and IGN B Fuse
A/T Shift Lock Controls
G302
G401
G403
Trailer and Camper Wiring
G401
G302
G403
G302
G401
G403
Inside Rearview Mirror (ISRVM)
BLWR, HAZRD, HVAC/ECAS, LBEC 1, RR DEFOG, RR HVAC, TBC 2A, TBC 2B, and TBC 2C Fuses and LT DOOR Circuit Breaker