GM Service Manual Online
For 1990-2009 cars only
Makes
🢒
Cadillac
🢒
2007
🢒
Escalade EXT
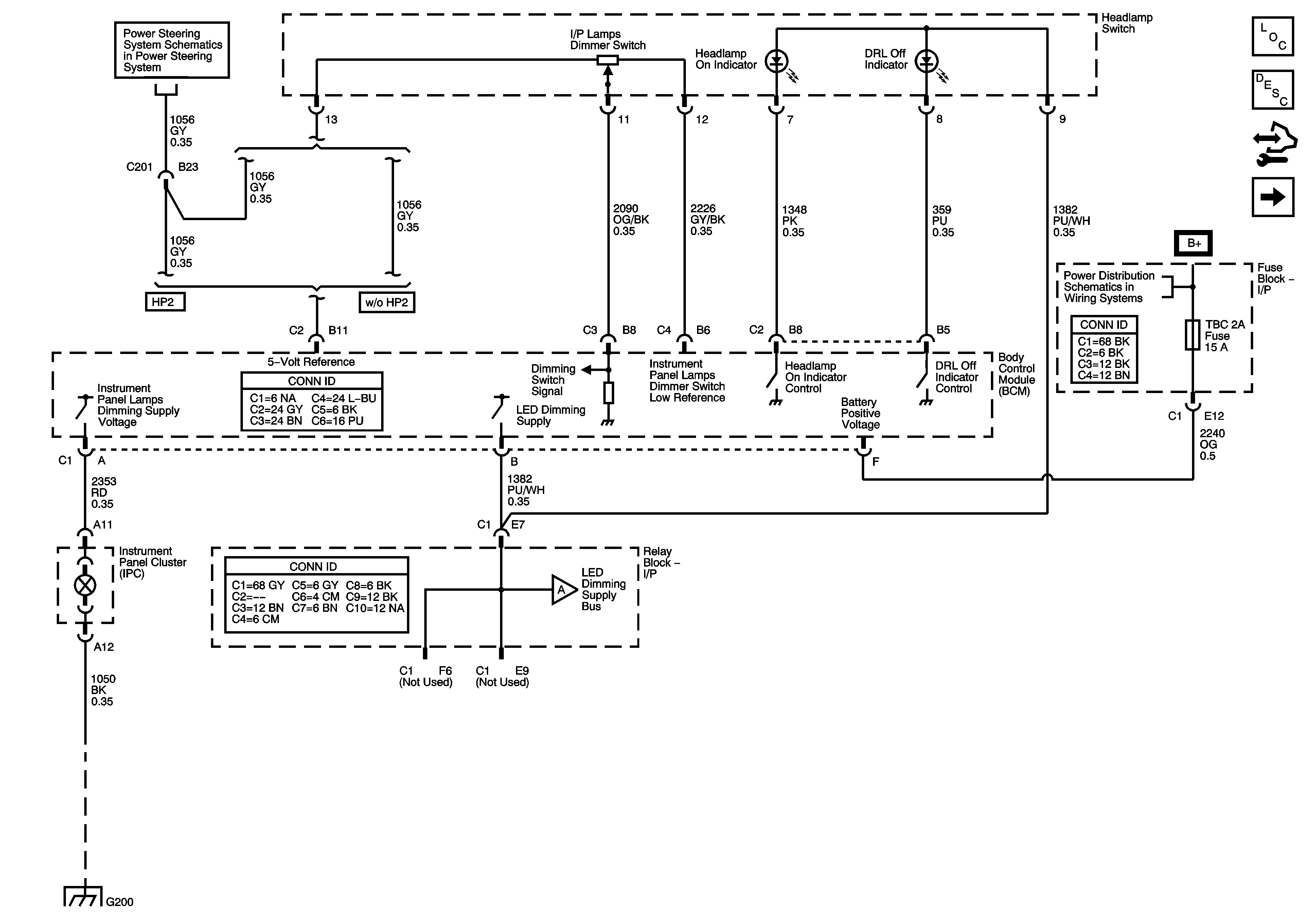
🢒 Interior Lights Dimming Control and LED Dimming Supply - 1 of 2
Interior Lights Dimming Control and LED Dimming Supply - 1 of 2
Interior Lights Dimming Control and LED Dimming Supply 1 of 2
Master Electrical Component List
Interior Lighting Systems Description and Operation
Control Module References
LED Dimming Supply - 2 of 2
Power, Ground, Serial Data, Steering Wheel/Speed and Brake Pedal Position Sensor
G115 and G200 - 1 of 2
LED Dimming Supply - 2 of 2
BLWR, HAZRD, HVAC/ECAS, LBEC 1, RR DEFOG, RR HVAC, TBC 2A, TBC 2B, and TBC 2C Fuses and LT DOOR Circuit Breaker