GM Service Manual Online
For 1990-2009 cars only
Makes
🢒
Cadillac
🢒
2007
🢒
Escalade EXT
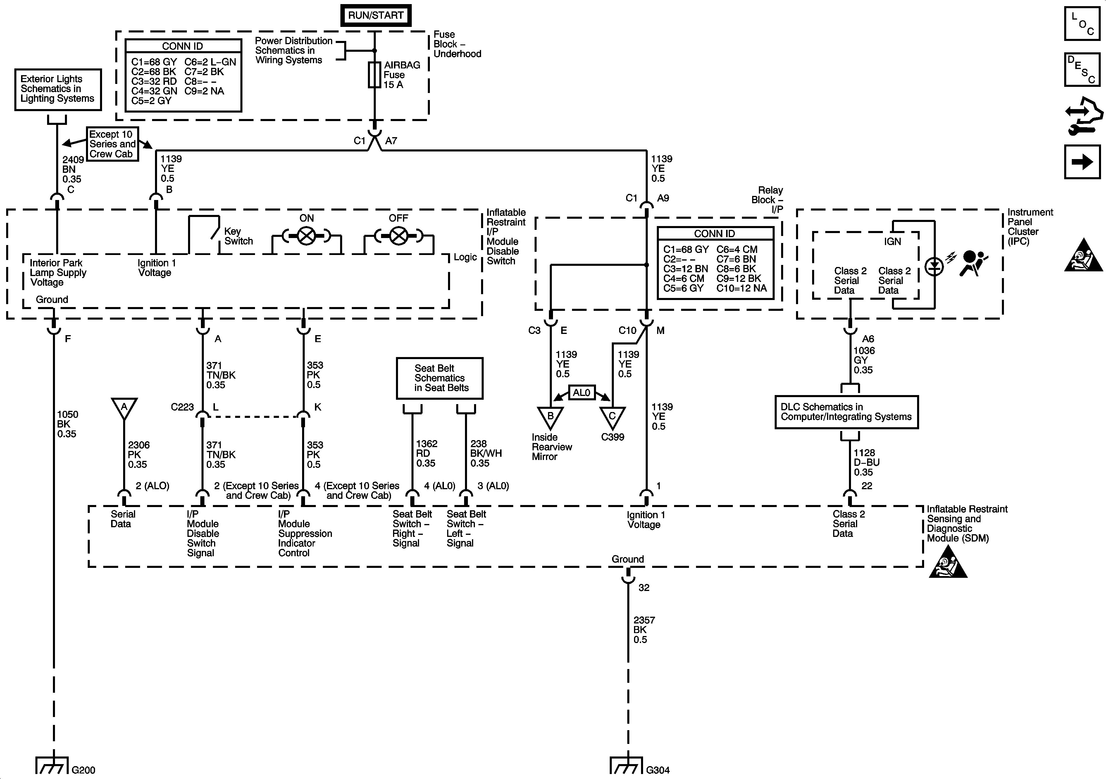
🢒 Power, Ground, Serial Data, and Disable Switch
Power, Ground, Serial Data, and Disable Switch
Power, Ground, Serial Data, and Disabale Switch
Master Electrical Component List
SIR System Description and Operation
Control Module References
Passenger Presence System (PPS) (AL0)
SIR Caution for Zoning
Interior Park
Ignition Switch - ACC/RUN and RUN/START BUS BARS and IGN B Fuse
Passenger Presence System (PPS) (AL0)
G115 and G200 - 1 of 2
Seat Belts
Passenger Presence System (PPS) (AL0)
Passenger Presence System (PPS) (AL0)
G304, G305, G306, and G390
SIR Caution for Zoning
Power, Ground, DLC, and Splice Pack SP205