GM Service Manual Online
For 1990-2009 cars only
Makes
🢒
Cadillac
🢒
2007
🢒
Escalade EXT
🢒 Diesel
Diesel
Diesel
Master Electrical Component List
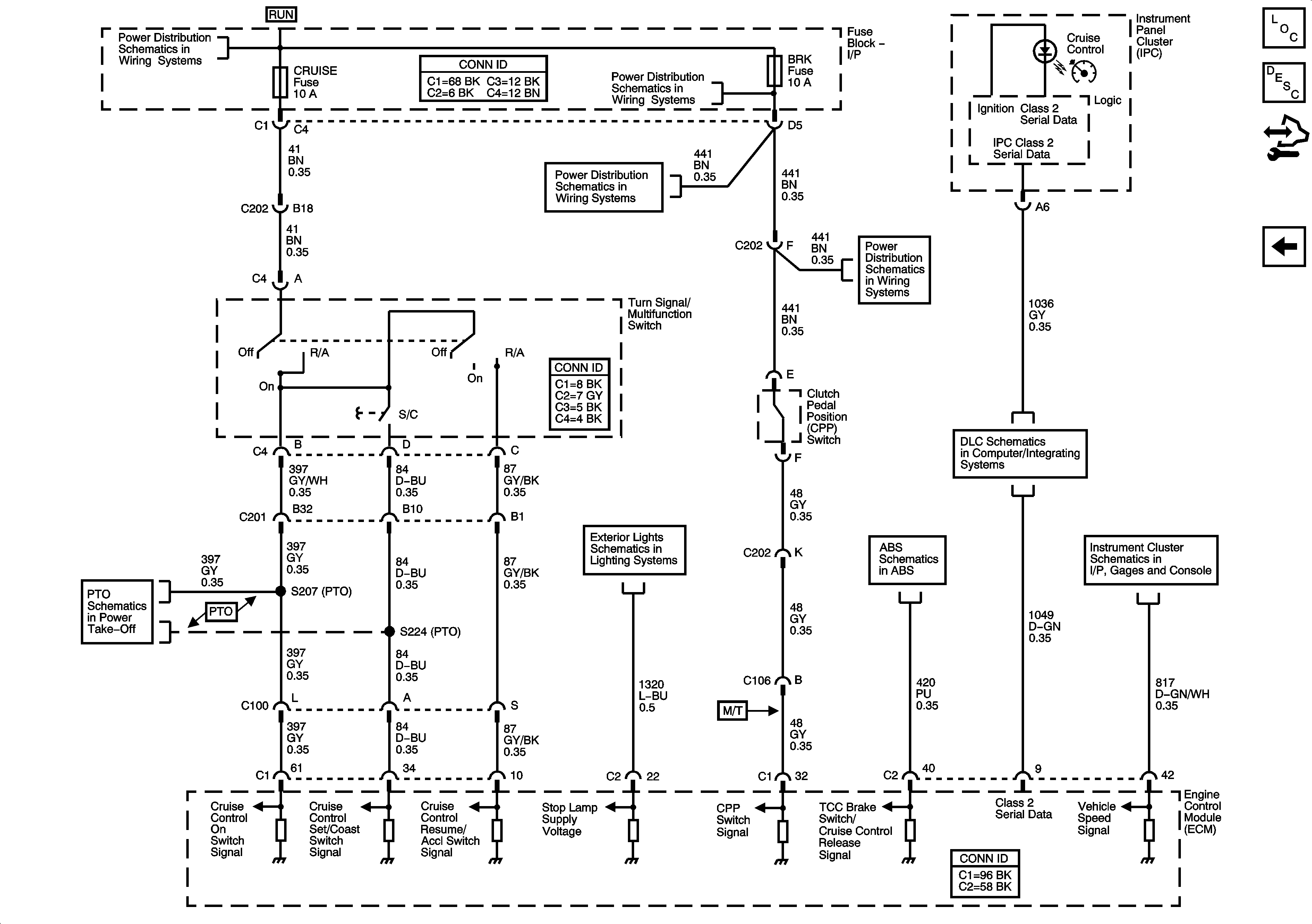
Cruise Control Description and Operation (4.8L, 5.3L, 6.0L, and 8.1L)
Control Module References
4.8L, 5.3L, 6.0L, and 8.1L
Ignition Switch - START, RUN, and ACC/RUN/START BUS BARS, IGN A and CRNK Fuses
Power Take Off
4WD, BRK, CRUISE, HTR/AC and HVAC 1 Fuses
Manual Transmission - NV3500
Stop Lamps
Manual Transmission - NV3500
Power, Ground, Serial Data, Indicator, and Stop Lamp Switch - Greater than 8600 GVW or w/Rear Drum Brakes
Power, Ground, DLC, and Splice Pack SP205
Gages, Vehicle Speed Signal, Engine Oil Pressure, and Fuel Level Sensors