GM Service Manual Online
For 1990-2009 cars only
Makes
🢒
Cadillac
🢒
2007
🢒
Escalade EXT
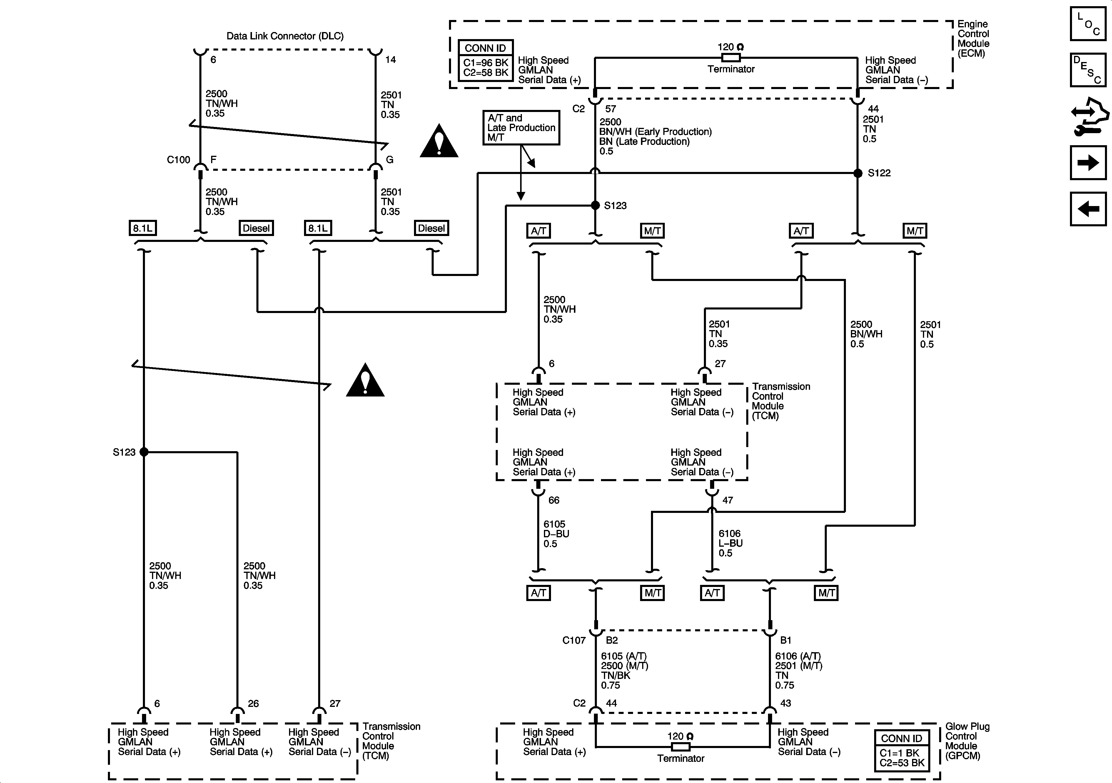
🢒 High Speed GM LAN Serial Data 8.1L and Diesel
High Speed GM LAN Serial Data 8.1L and Diesel
High Speed GM LAN Serial Data 8.1L and Diesel
Master Electrical Component List
Data Link Communications Description and Operation
Control Module References
High Speed GMLAN (HP2)
Splice Pack SP207