GM Service Manual Online
For 1990-2009 cars only
Makes
🢒
Cadillac
🢒
2007
🢒
Escalade EXT
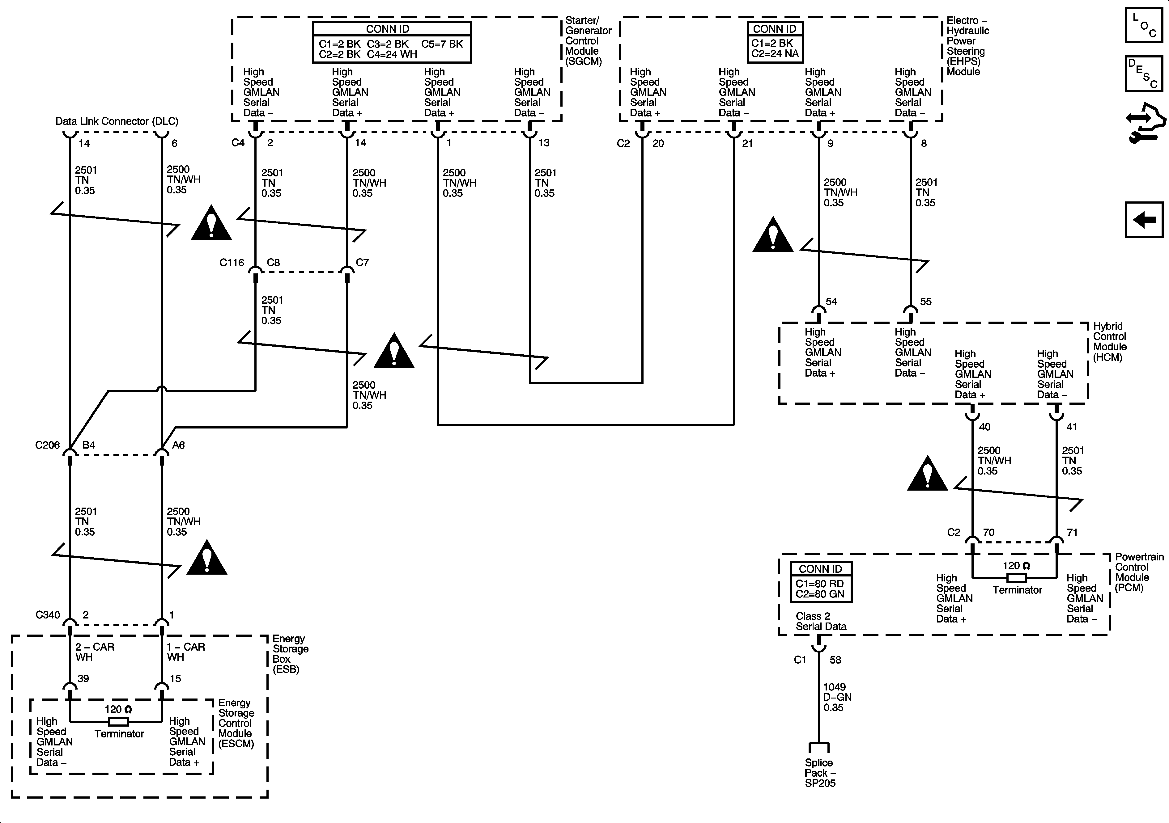
🢒 High Speed GMLAN (HP2)
High Speed GMLAN (HP2)
High Speed GM LAN (HP2)
Master Electrical Component List
Data Link Communications Description and Operation
Control Module References
High Speed GM LAN Serial Data 8.1L and Diesel
Power, Ground, DLC, and Splice Pack SP205