GM Service Manual Online
For 1990-2009 cars only
Makes
🢒
Cadillac
🢒
2007
🢒
Escalade EXT
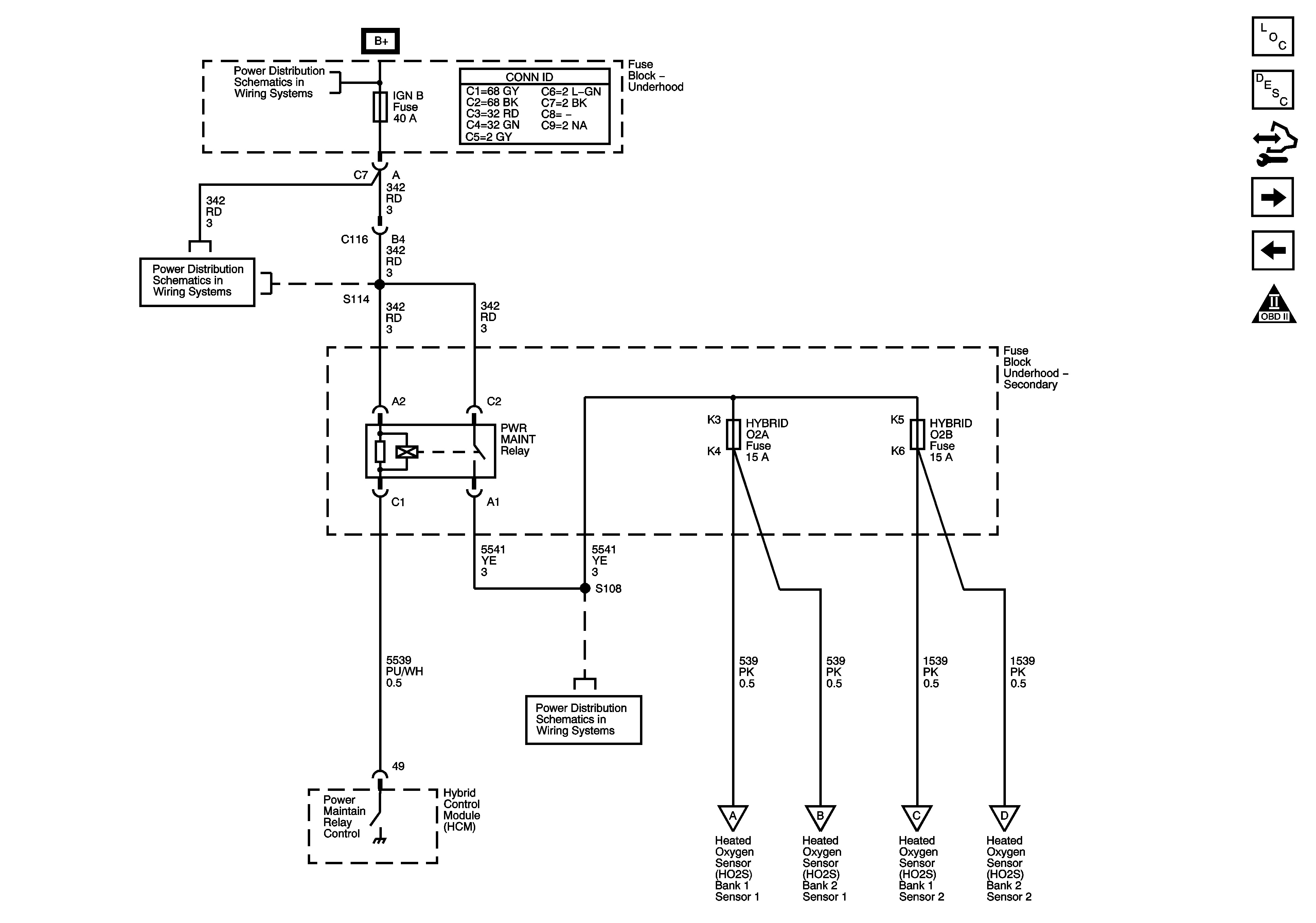
🢒 Engine Data Sensors - Oxygen Sensors (HP2) - 1 of 2
Engine Data Sensors - Oxygen Sensors (HP2) - 1 of 2
Engine Data Sensors - Oxygen Sensors (HP2) - 1 of 2
Master Electrical Component List
Powertrain Control Module Description
Control Module References
Engine Data Sensors - Oxygen Sensors (HP2) - 2 of 2
Engine Data Sensors - Oxygen Sensors (w/o HP2)
Engine Controls Schematic Icons
B+ Bus Bar
COOL PMP, HYBRID O2A, HYBRID O2B, IGN B, and PWR MAINT Fuses
COOL PMP, HYBRID O2A, HYBRID O2B, IGN B, and PWR MAINT Fuses
Engine Data Sensors - Oxygen Sensors (HP2) - 2 of 2
Engine Data Sensors - Oxygen Sensors (HP2) - 2 of 2
Engine Data Sensors - Oxygen Sensors (HP2) - 2 of 2
Engine Data Sensors - Oxygen Sensors (HP2) - 2 of 2