GM Service Manual Online
For 1990-2009 cars only
Makes
🢒
Cadillac
🢒
2007
🢒
Escalade EXT
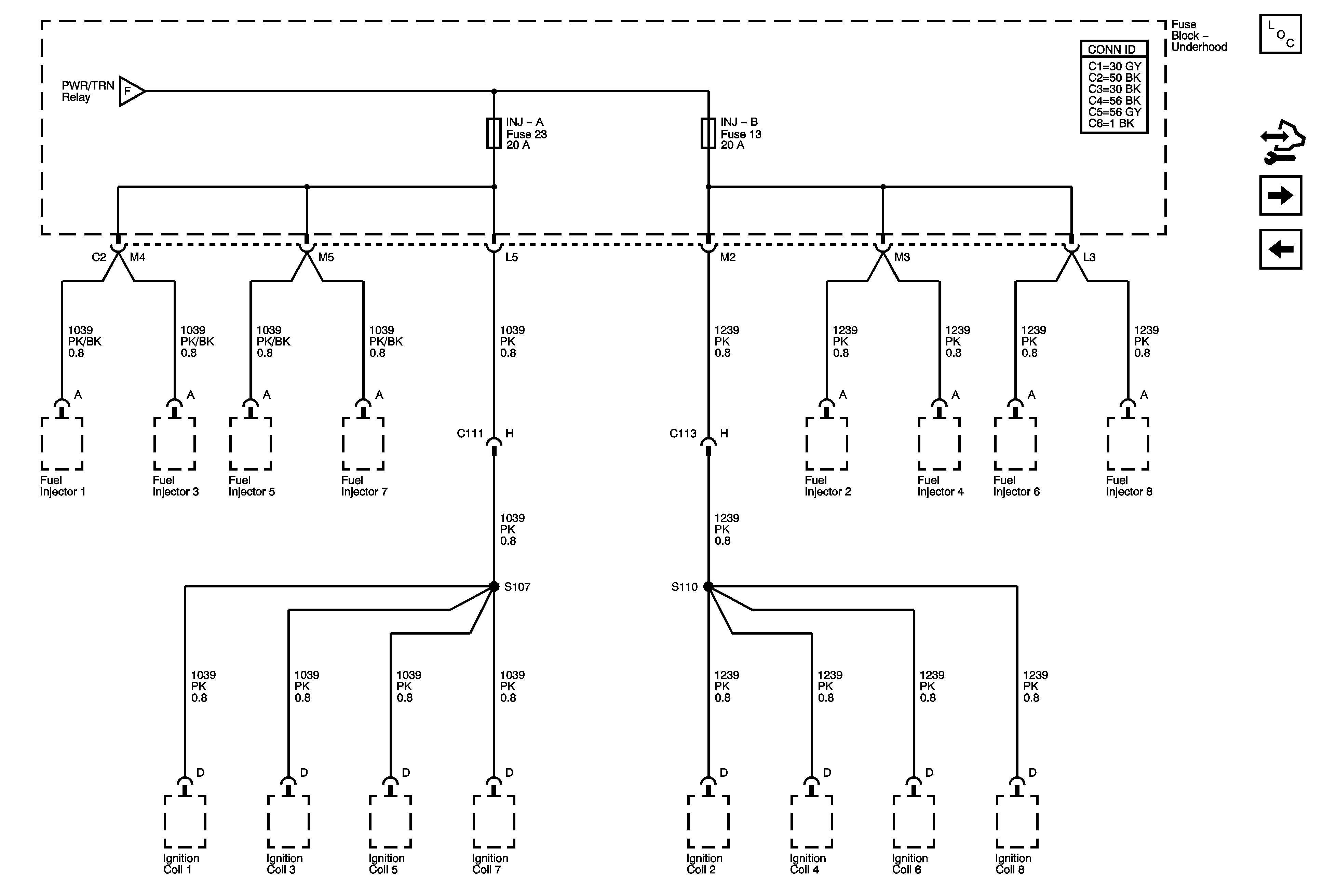
🢒 PWR/TRN Bus - INJ-A and INJ-B Fuses
PWR/TRN Bus - INJ-A and INJ-B Fuses
PWR/TRN Bus - INJ- A and INJ-B Fuses
Master Electrical Component List
Control Module References
RUN/CRANK Bus - AIRBAG IGN, MISC IGN, ans SEO/ALC Fuses
PWR/TRN Bus - ECM/THROT CONT, ENG, O2-A SNSR, and O2-B SNSR Fuses
PWR/TRN Bus - ECM/THROT CONT, ENG, O2-A SNSR, and O2-B SNSR Fuses