GM Service Manual Online
For 1990-2009 cars only
Makes
🢒
Cadillac
🢒
2007
🢒
Escalade EXT
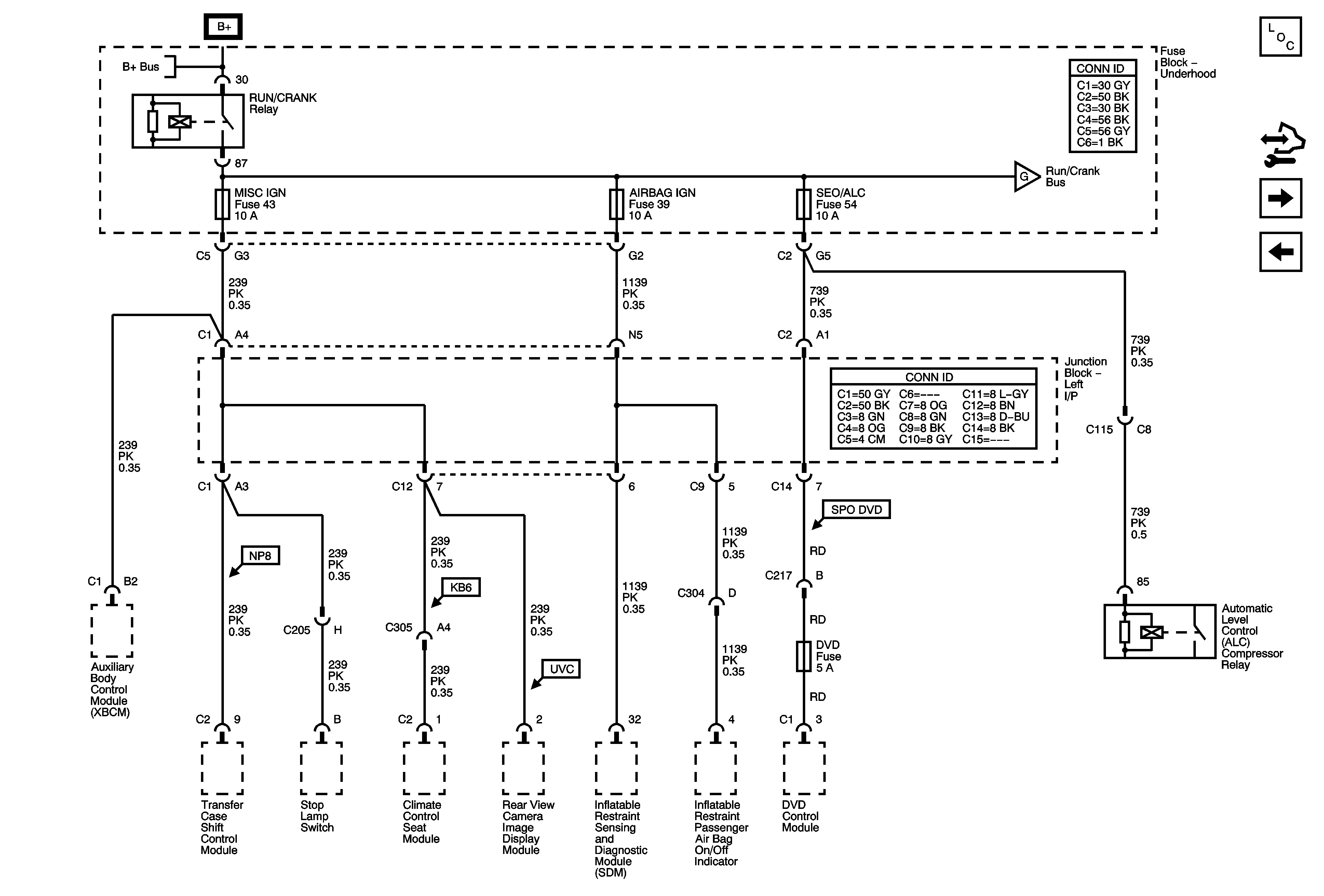
🢒 RUN/CRANK Bus - AIRBAG IGN, MISC IGN, ans SEO/ALC Fuses
RUN/CRANK Bus - AIRBAG IGN, MISC IGN, ans SEO/ALC Fuses
RUN/CRANK Bus - AIRBAG IGN, MISC IGN, and SEO/ALC Fuses
Master Electrical Component List
Control Module References
RUN/CRANK Bus - ECM-IGN and TRANS IGN 1 Fuses
PWR/TRN Bus - INJ-A and INJ-B Fuses
B+ Bus - 1 of 3
RUN/CRANK Bus - ECM-IGN and TRANS IGN 1 Fuses