GM Service Manual Online
For 1990-2009 cars only
Makes
🢒
Cadillac
🢒
2007
🢒
Escalade EXT
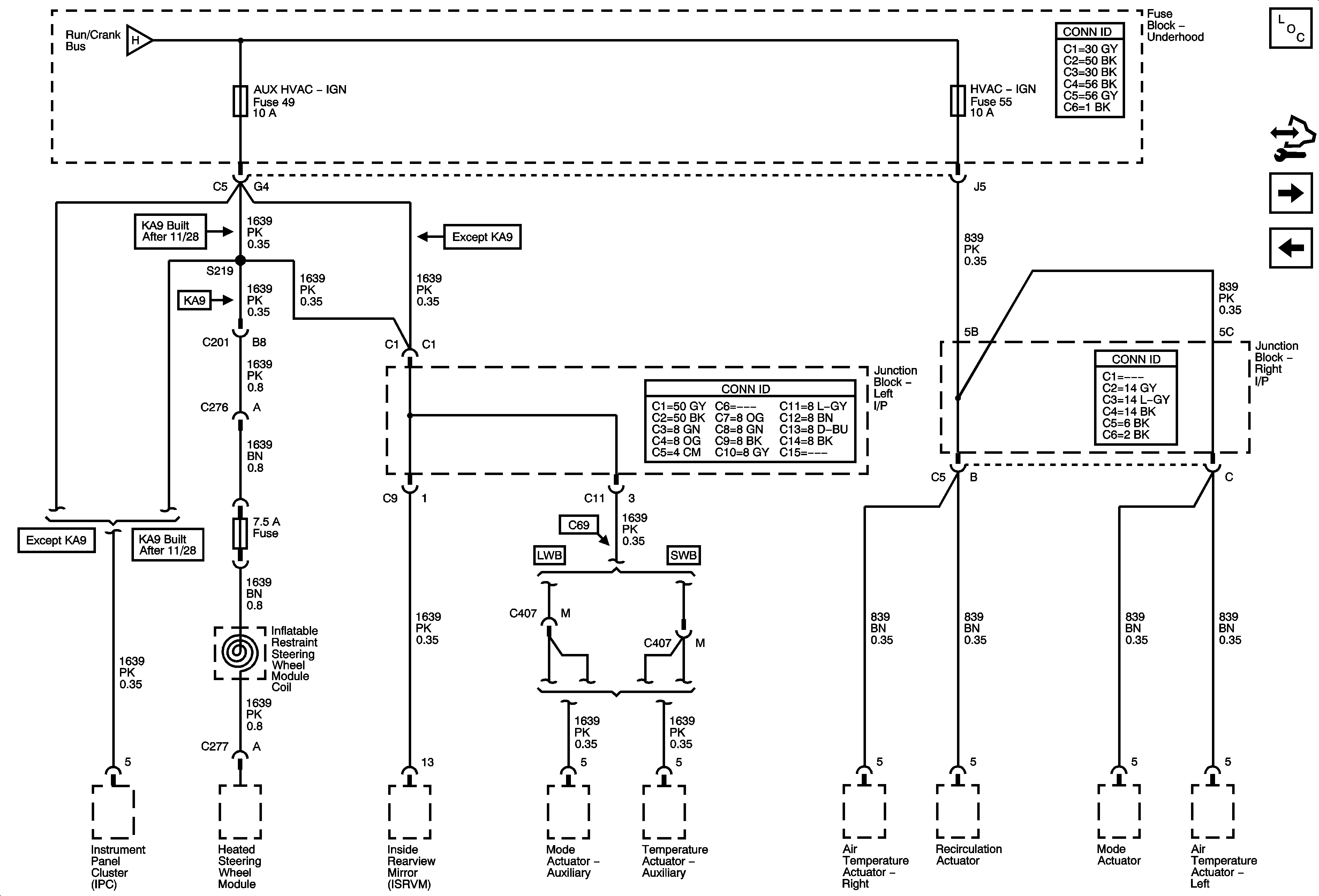
🢒 RUN/CRANK Bus - AUX HVAC - IGN and HVAC - IGN Fuses
RUN/CRANK Bus - AUX HVAC - IGN and HVAC - IGN Fuses
RUN/CRANK Bus - AUX HVAC - IGN, and HVAC - IGN Fuses
Master Electrical Component List
Control Module References
FWD and HTD STR/WHL Fuses - Built Before 11/29
RUN/CRANK Bus - ECM-IGN and TRANS IGN 1 Fuses
RUN/CRANK Bus - ECM-IGN and TRANS IGN 1 Fuses