GM Service Manual Online
For 1990-2009 cars only
Makes
🢒
Cadillac
🢒
2007
🢒
Escalade EXT
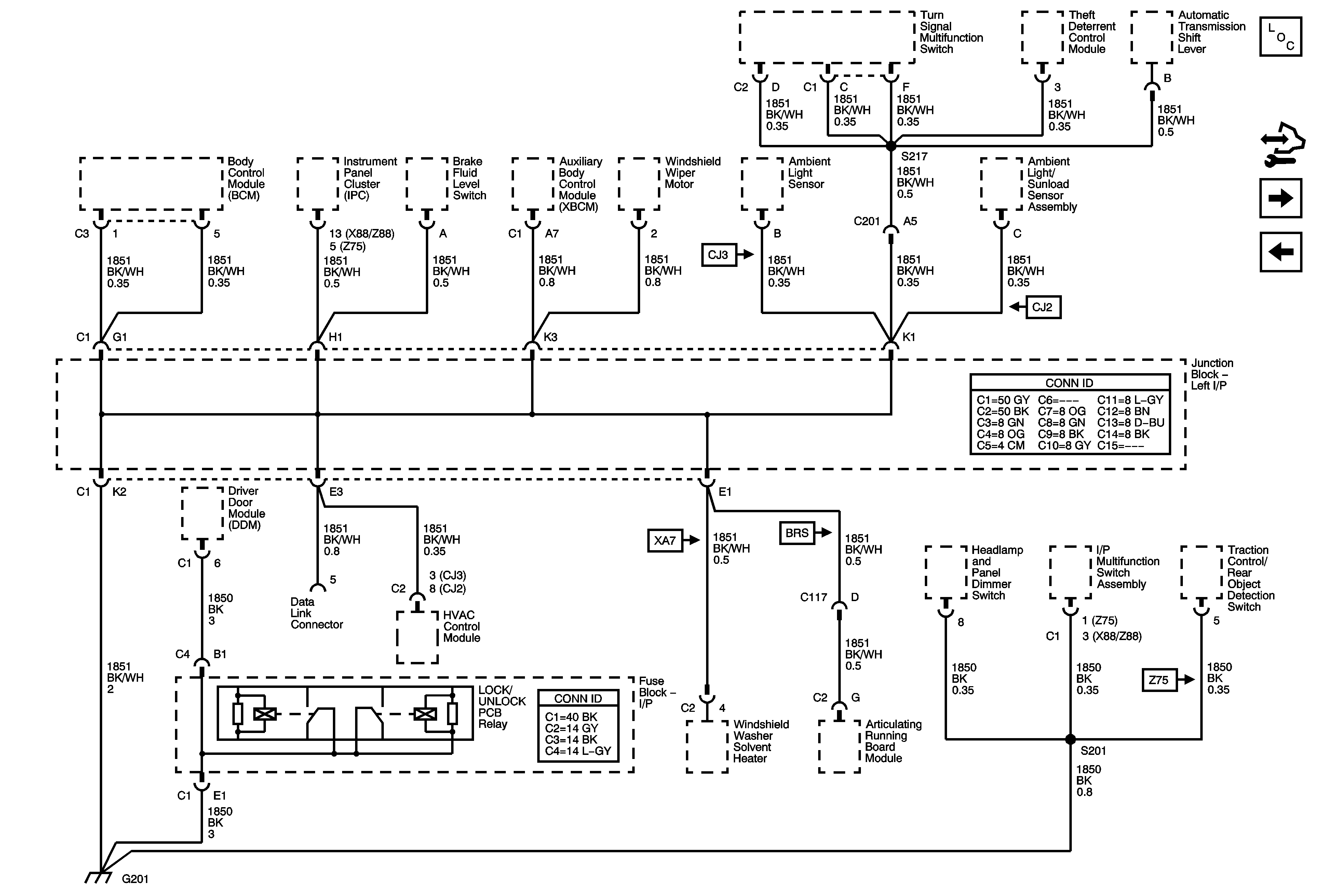
🢒 G201
G201
G201
Master Electrical Component List
Control Module References
G300 and G302
G200 - 2 of 2