GM Service Manual Online
For 1990-2009 cars only
Makes
🢒
Cadillac
🢒
2007
🢒
Escalade EXT
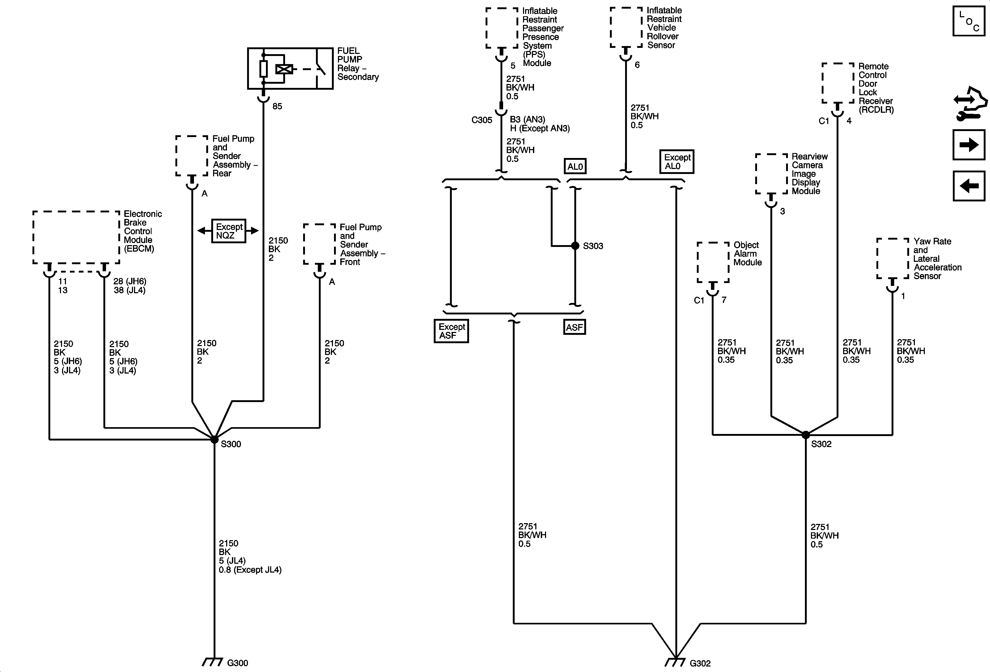
🢒 G300 and G302
G300 and G302
G300 and G302
Master Electrical Component List
Control Module References
G301
G201