GM Service Manual Online
For 1990-2009 cars only
Makes
🢒
Cadillac
🢒
2007
🢒
Escalade EXT
🢒 Charge
Charge
Charging
Master Electrical Component List
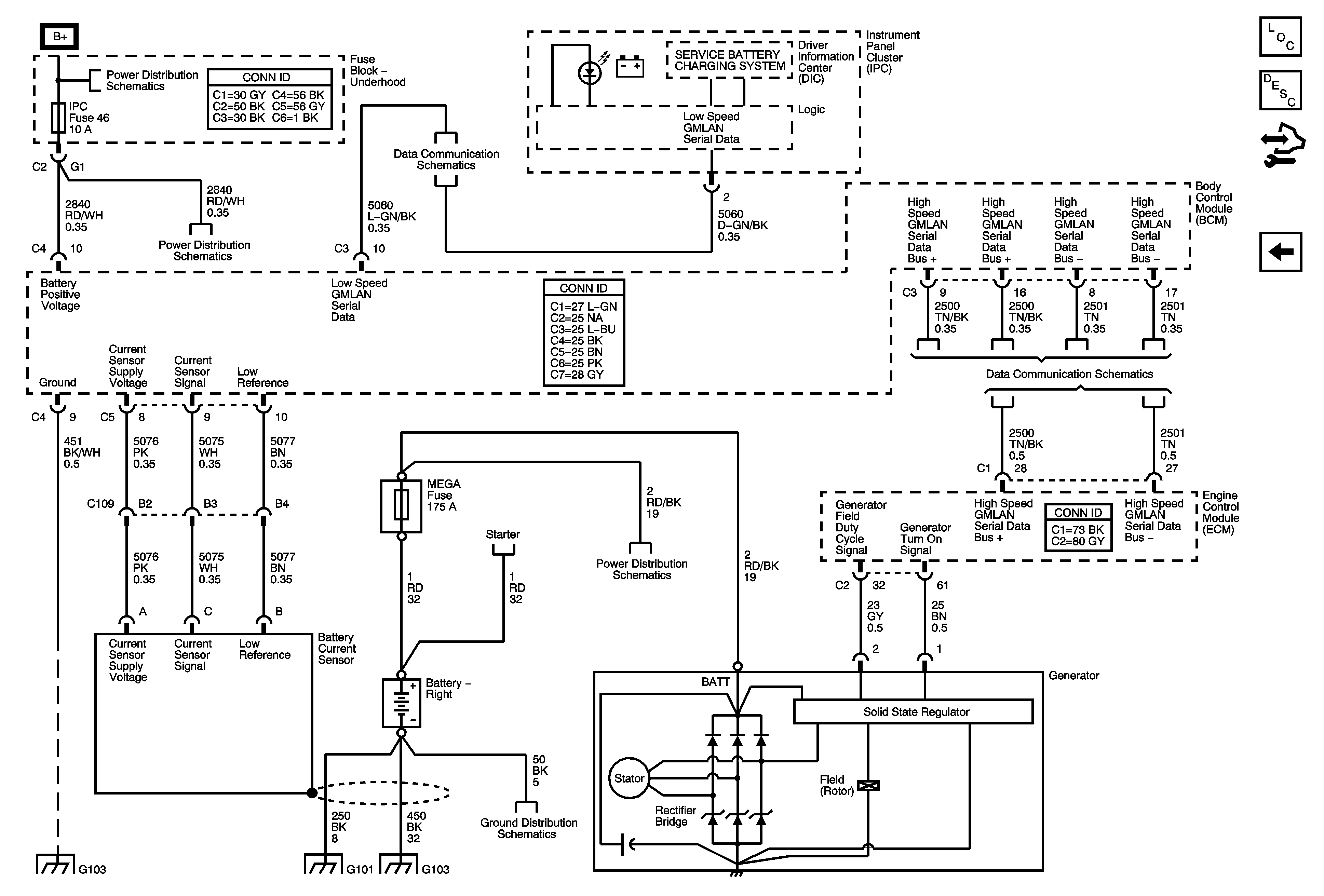
Charging System Description and Operation
Control Module References
Starting
B+ Bus - 1 of 3
ECM-BATT, HEADLAMP WASH, HVAC BATT, IPC, LTR, S/ROOF, and TCM-BATT Fuses
05 V Holden Rear Drive Axle
Starting
B+ Bus - 1 of 3
G103, G110, and G111
G101
G103, G110, and G111
High Speed Bus - 1 of 2