GM Service Manual Online
For 1990-2009 cars only
Makes
🢒
Cadillac
🢒
2007
🢒
Escalade EXT
🢒 Starting
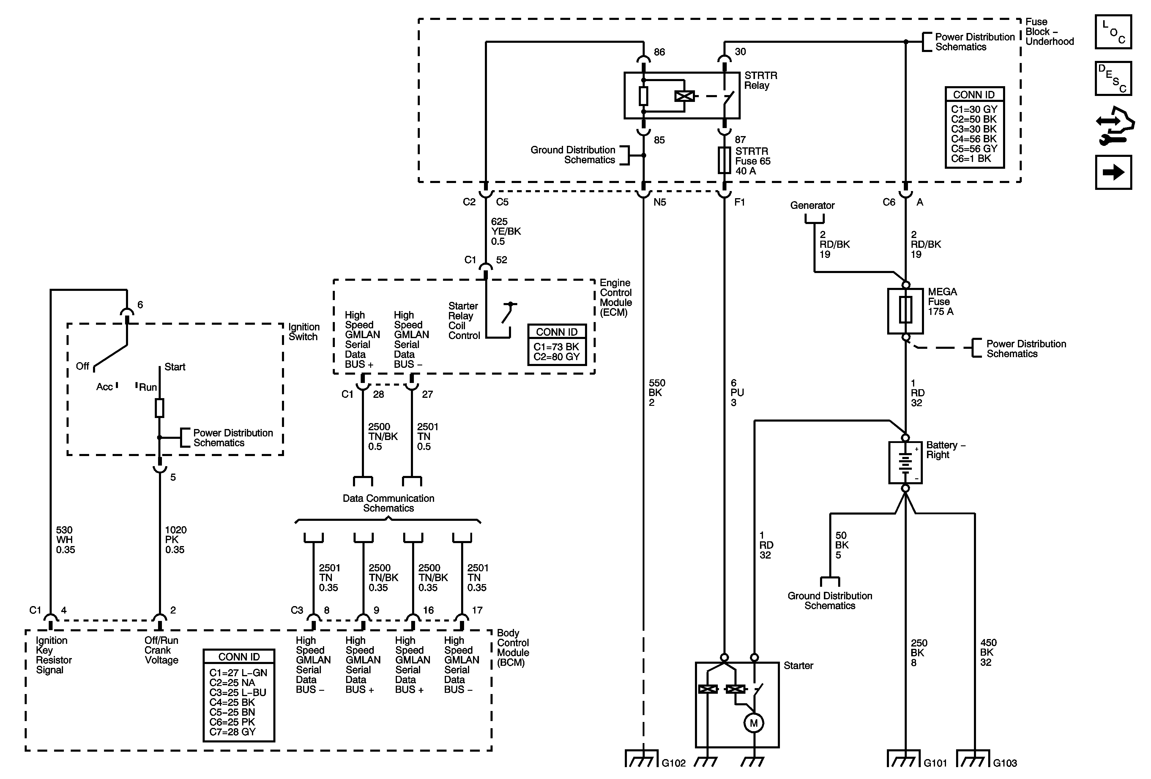
Starting
Starting
Master Electrical Component List
Starting System Description and Operation
Control Module References
Charge
DLIS Fuse and Ignition Switch
High Speed Bus - 1 of 2
G102 and G108
G101
G103, G110, and G111
G102 and G108
Charge
B+ Bus - 2 of 3