GM Service Manual Online
For 1990-2009 cars only
Makes
🢒
Cadillac
🢒
2007
🢒
Escalade EXT
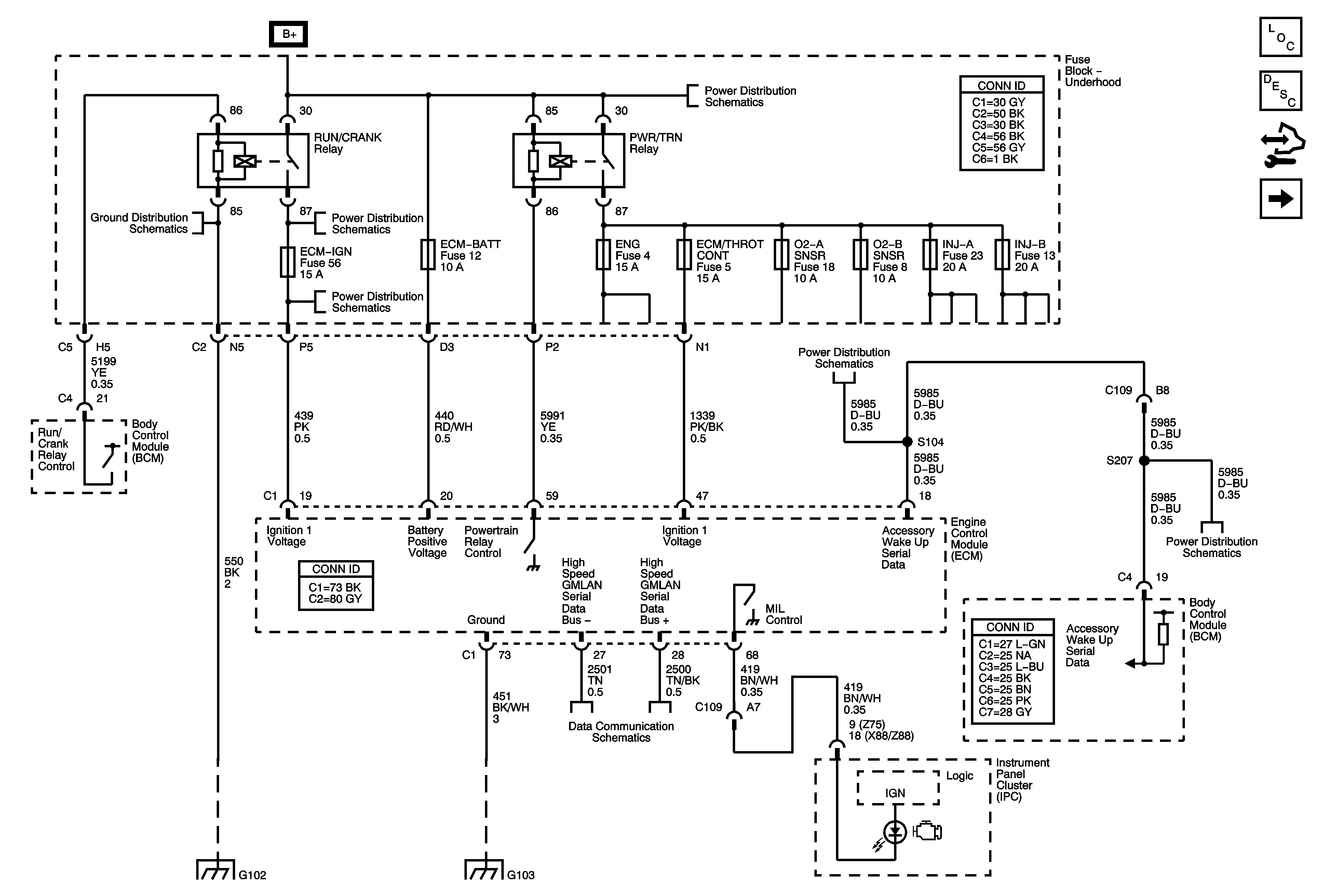
🢒 Module Power, Ground, Serial Data, and MIL
Module Power, Ground, Serial Data, and MIL
Module Power, Ground, Serial Data, and MIL
Master Electrical Component List
Engine Control Module Description
Control Module References
Engine Data Sensors - 5-Volt and Low Reference
G102 and G108
B+ Bus - 3 of 3
RUN/CRANK Bus - ECM-IGN and TRANS IGN 1 Fuses
B+ Bus - 1 of 3
G102 and G108
G103, G110, and G111
High Speed Bus - 1 of 2
DLIS Fuse and Ignition Switch
DLIS Fuse and Ignition Switch