GM Service Manual Online
For 1990-2009 cars only
Makes
🢒
Cadillac
🢒
2007
🢒
Escalade EXT
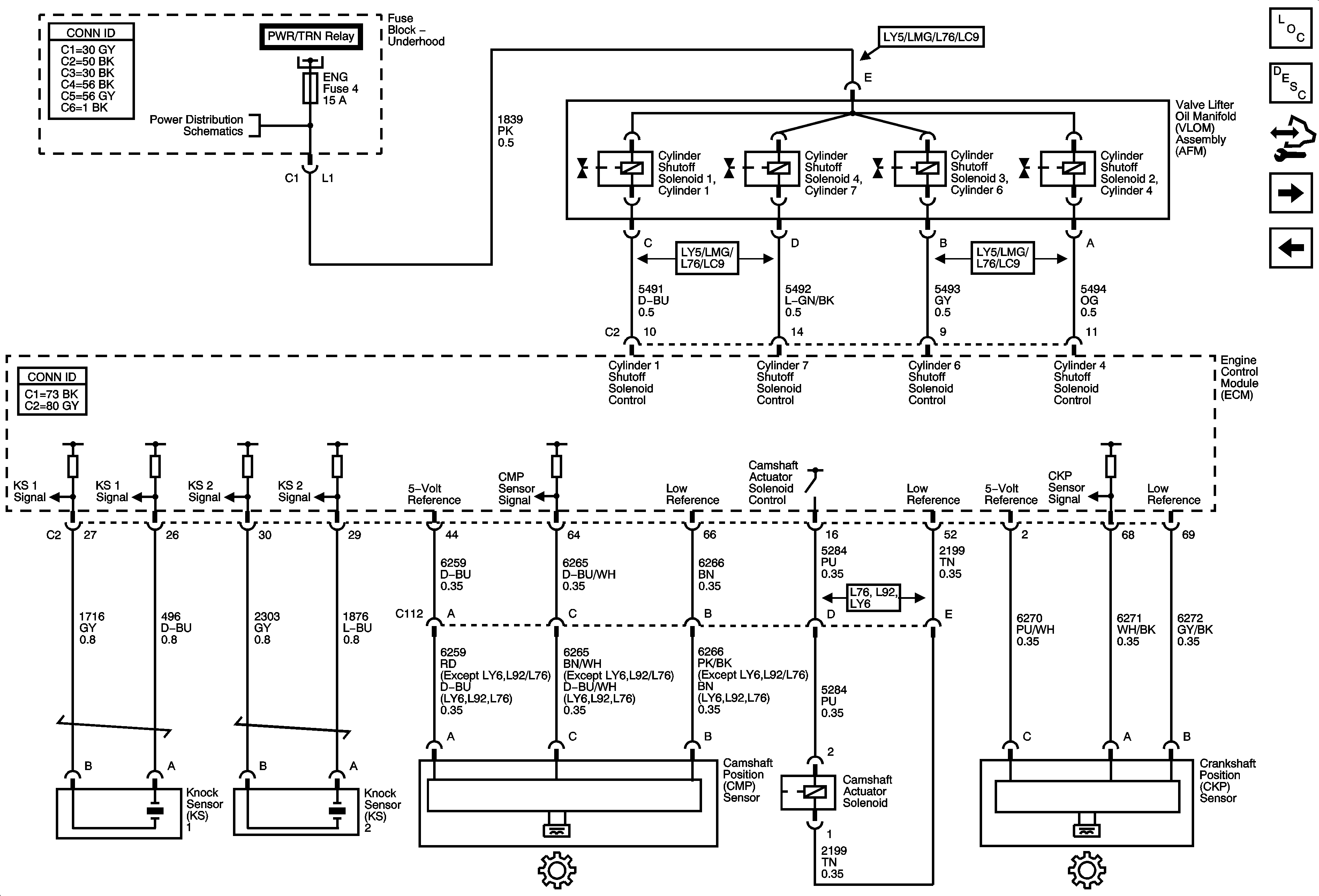
🢒 Ignition Controls - Sensors and Active Fuel Management (AFM) Controls
Ignition Controls - Sensors and Active Fuel Management (AFM) Controls
Ignition Controls - Sensors and Active Fuel Management (AFM) Controls
Master Electrical Component List
Engine Control Module Description
Control Module References
Fuel Controls - Fuel Pump Controls
Ignition Controls - Ignition System Coils 2, 4, 6, and 8
PWR/TRN Bus - ECM/THROT CONT, ENG, O2-A SNSR, and O2-B SNSR Fuses
Module Power, Ground, Serial Data, and MIL