GM Service Manual Online
For 1990-2009 cars only
Makes
🢒
Cadillac
🢒
2007
🢒
Escalade EXT
🢒 Rear - Export
Rear - Export
Rear (Export)
Master Electrical Component List
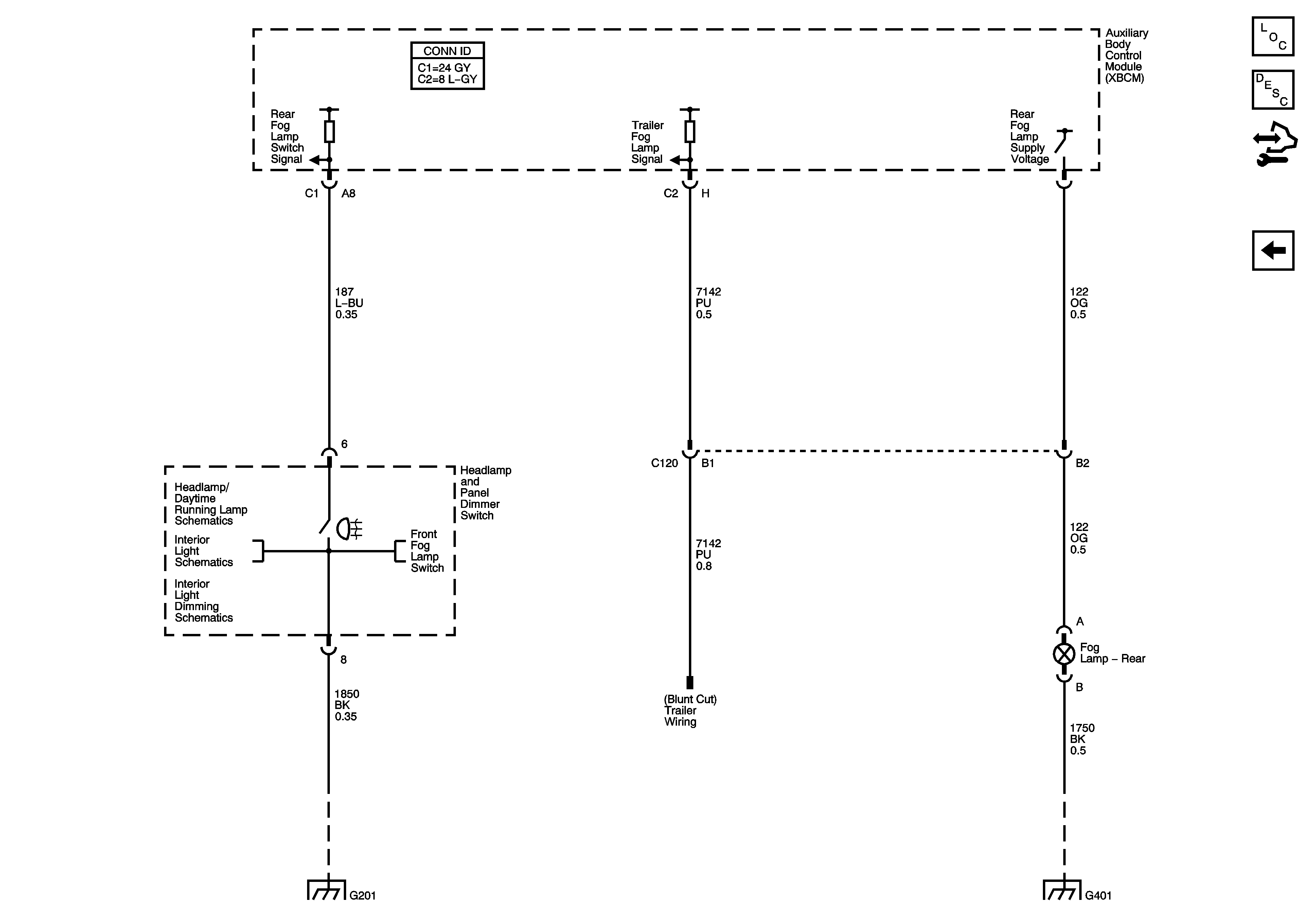
Exterior Lighting Systems Description and Operation
Control Module References
Front