GM Service Manual Online
For 1990-2009 cars only
Makes
🢒
Cadillac
🢒
2007
🢒
Escalade EXT
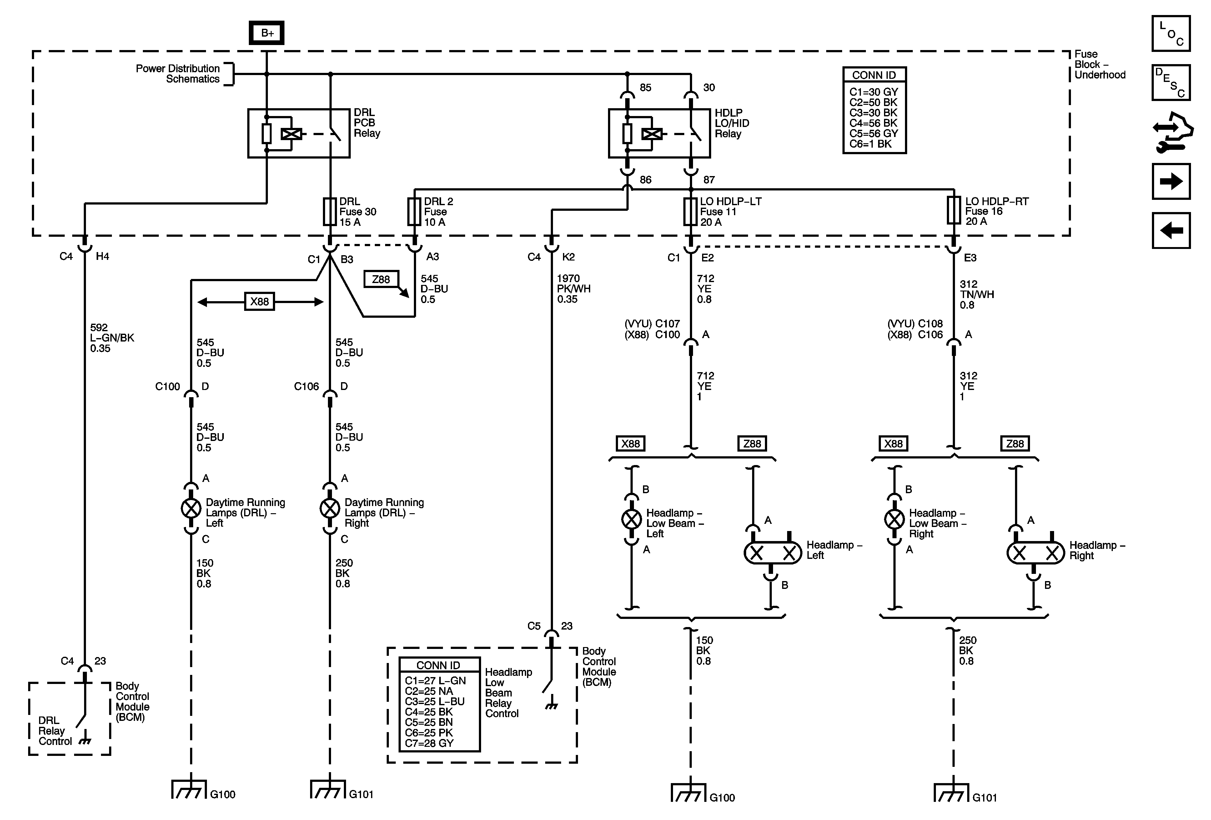
🢒 Low Beam and Daytime Running Lamps - X88/Z88
Low Beam and Daytime Running Lamps - X88/Z88
Low Beam and Daytime Running Lamps - X88/Z88
Master Electrical Component List
Exterior Lighting Systems Description and Operation
Control Module References
Low Beam and Daytime Running Lamps - Z75
Headlamp and Daytime Running Lamp Controls
B+ Bus - 1 of 3
G100
G101
G100
G101