GM Service Manual Online
For 1990-2009 cars only
Makes
🢒
Cadillac
🢒
2007
🢒
Escalade EXT
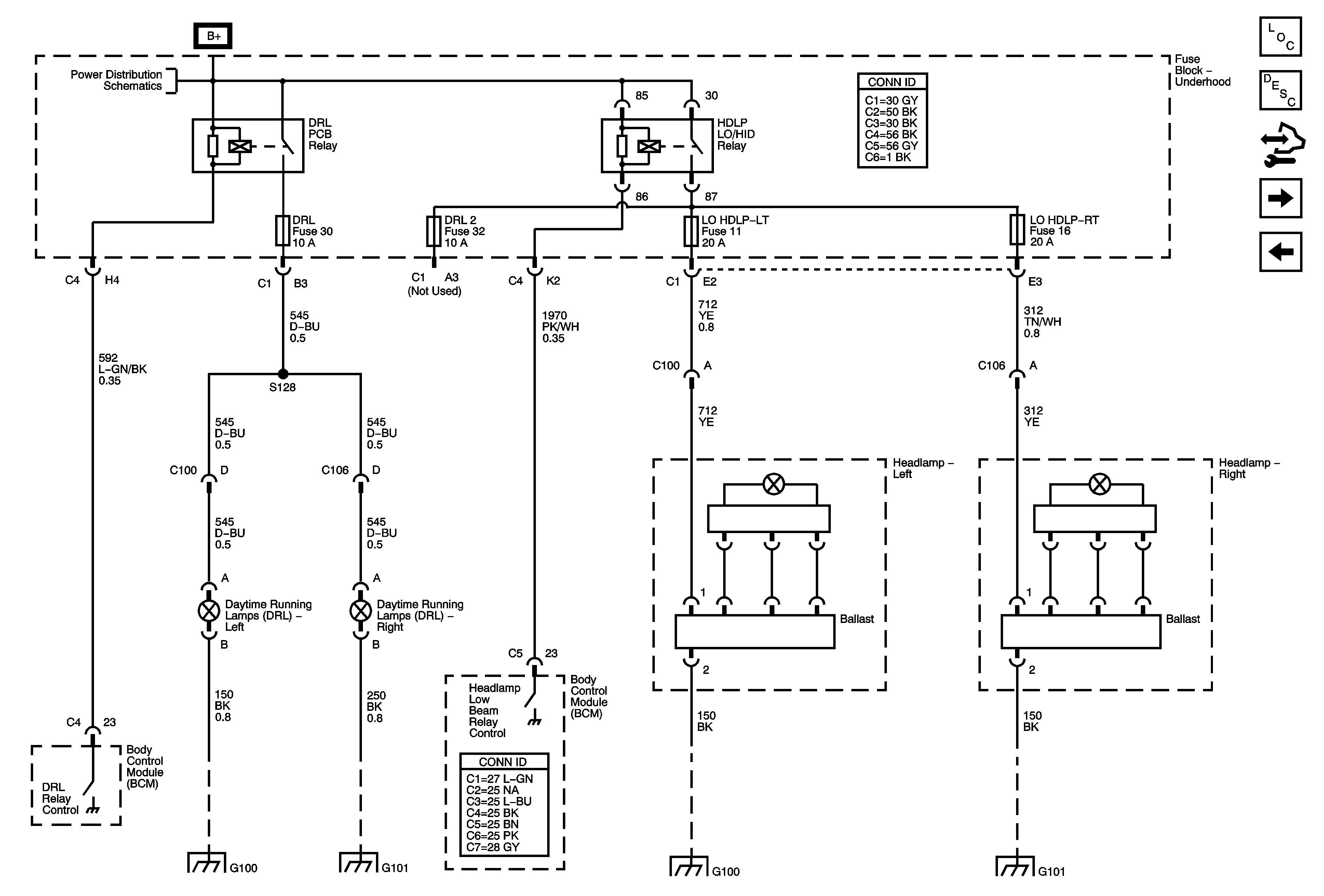
🢒 Low Beam and Daytime Running Lamps - Z75
Low Beam and Daytime Running Lamps - Z75
Low Beam and Daytime Running Lamps - Z75
Master Electrical Component List
Exterior Lighting Systems Description and Operation
Control Module References
High Beams
Low Beam and Daytime Running Lamps - X88/Z88
B+ Bus - 1 of 3
G100
G101
G100
G101