GM Service Manual Online
For 1990-2009 cars only
Makes
🢒
Cadillac
🢒
2007
🢒
Escalade EXT
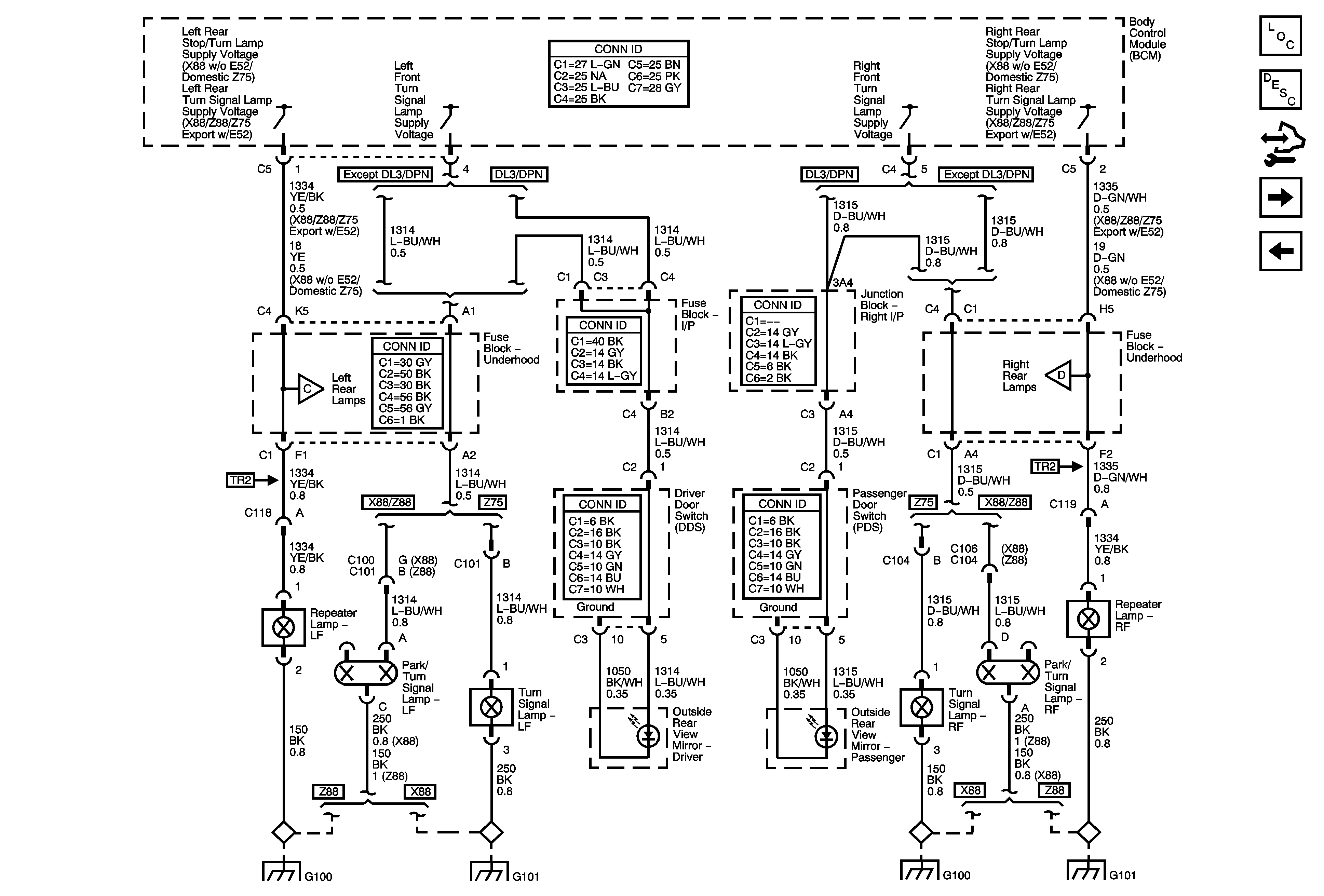
🢒 Front Turn Signal Lamps
Front Turn Signal Lamps
Front Turn Lamps
Master Electrical Component List
Exterior Lighting Systems Description and Operation
Control Module References
Rear Turn Signal Lamps
Turn Signal Lamp Power and Control
Rear Turn Signal Lamps
Rear Turn Signal Lamps
G100
G101
G100
G101