GM Service Manual Online
For 1990-2009 cars only
Makes
🢒
Cadillac
🢒
2007
🢒
Escalade EXT
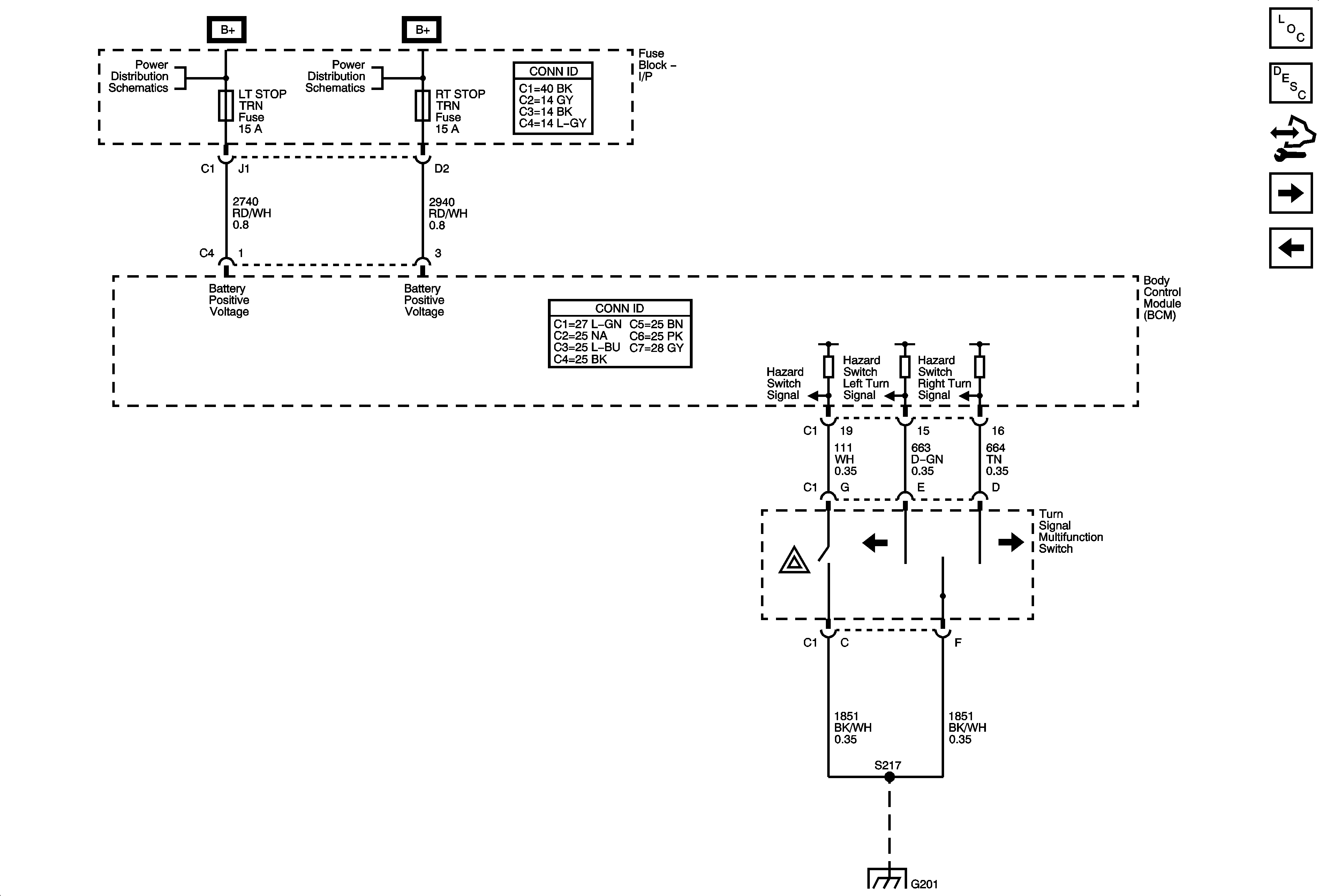
🢒 Turn Signal Lamp Power and Control
Turn Signal Lamp Power and Control
Turn Signal Power and Control
Master Electrical Component List
Exterior Lighting Systems Description and Operation
Control Module References
Front Turn Signal Lamps
Exterior Illumination Lamps
B+ Bus - 1 of 3
B+ Bus - 1 of 3
G201