GM Service Manual Online
For 1990-2009 cars only
Makes
🢒
Cadillac
🢒
2007
🢒
Escalade EXT
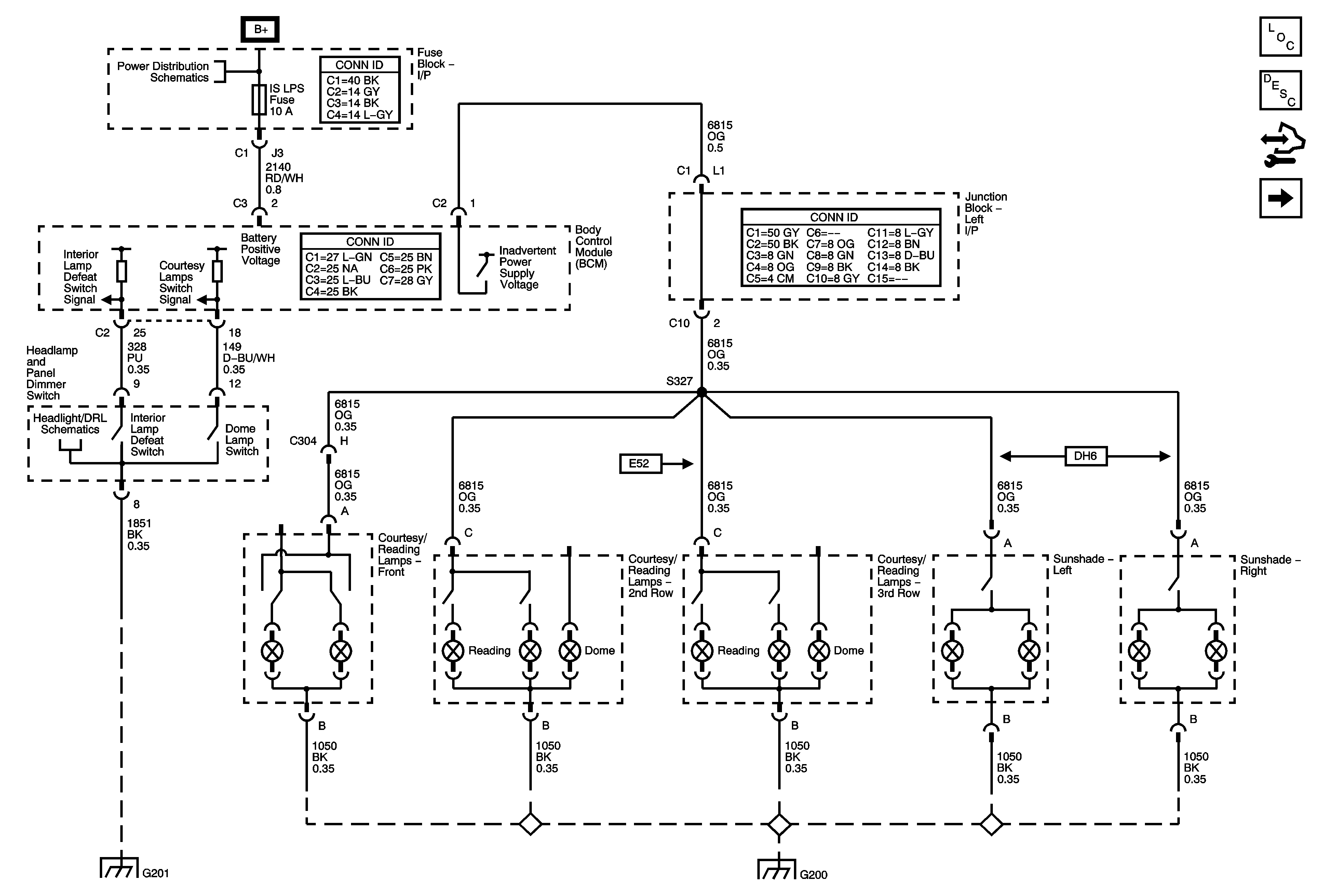
🢒 Inadvertent Lamp Control
Inadvertent Lamp Control
Inadvertent Lamp Controls
Master Electrical Component List
Interior Lighting Systems Description and Operation
Control Module References
Courtesy Lamp Control
B+ Bus - 1 of 3
Headlamp and Daytime Running Lamp Controls
G201
G200 - 1 of 2