GM Service Manual Online
For 1990-2009 cars only
Makes
🢒
Cadillac
🢒
2007
🢒
Escalade EXT
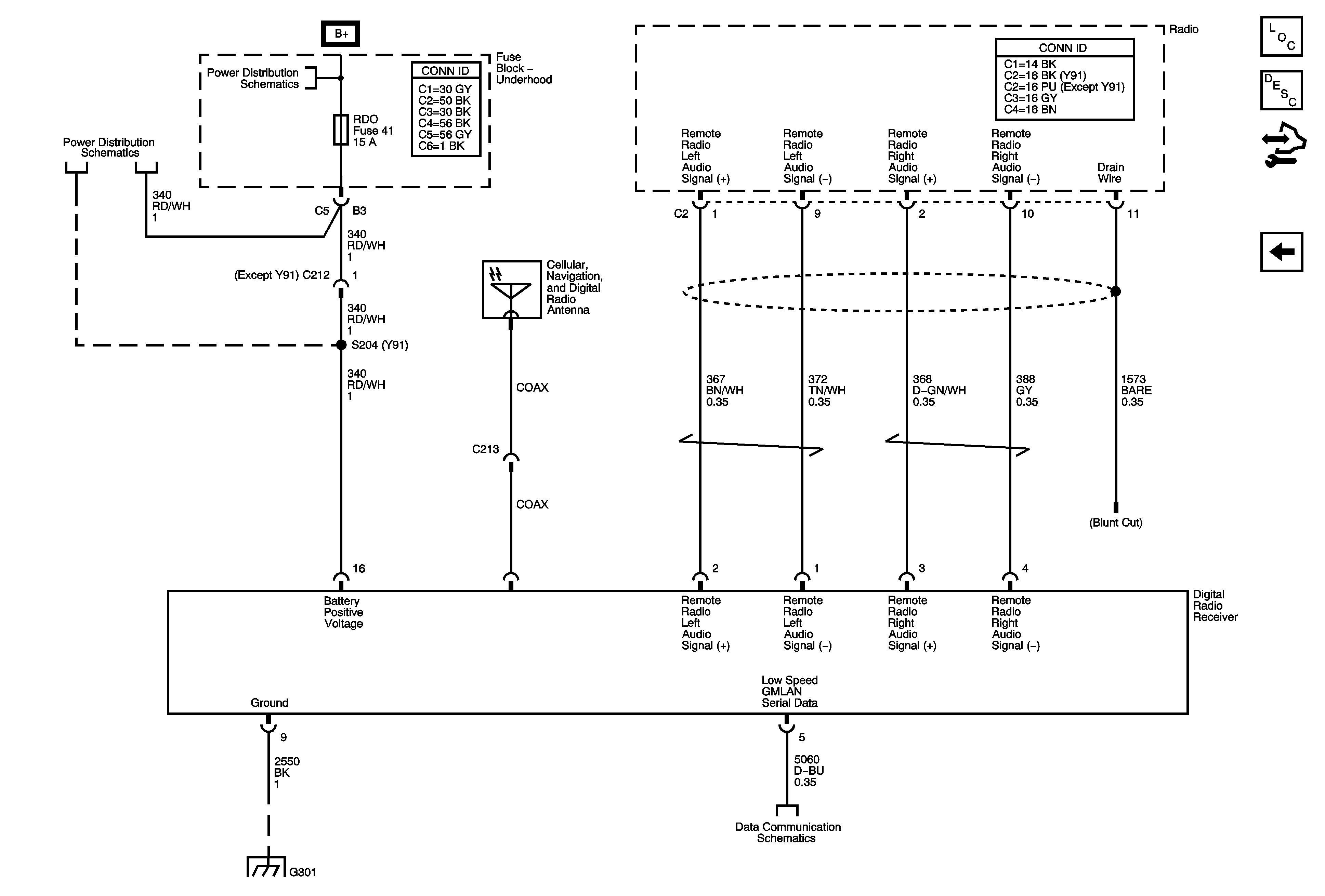
🢒 Digital Radio Receiver - U2K
Digital Radio Receiver - U2K
Digital Radio Receiver - U2K
Master Electrical Component List
Radio/Audio System Description and Operation
Control Module References
Rear Speakers - UQS
B+ Bus - 1 of 3
RDO Fuses
G301
Low Speed Bus - SP 200 - 2 of 3