GM Service Manual Online
For 1990-2009 cars only
Makes
🢒
Cadillac
🢒
2007
🢒
Escalade EXT
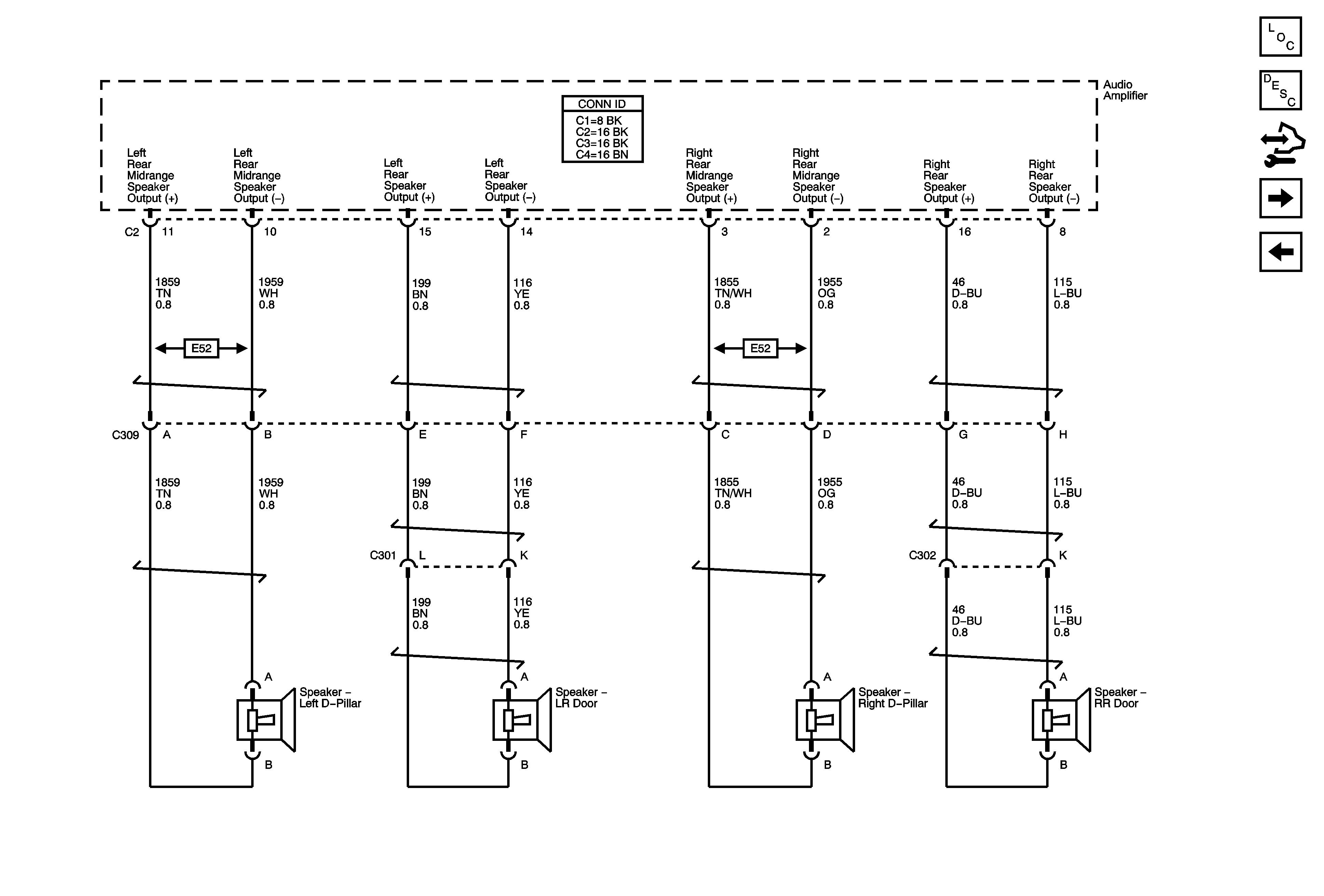
🢒 Rear Speakers - UQS or UQA w/ Y91
Rear Speakers - UQS or UQA w/ Y91
Rear Speakers - UQS or UQA w/ Y91
Master Electrical Component List
Radio/Audio System Description and Operation
Control Module References
Digital Radio Receiver - U2K
Rear Speakers - UQA w/o Y91