GM Service Manual Online
For 1990-2009 cars only
Makes
🢒
Cadillac
🢒
2007
🢒
Escalade EXT
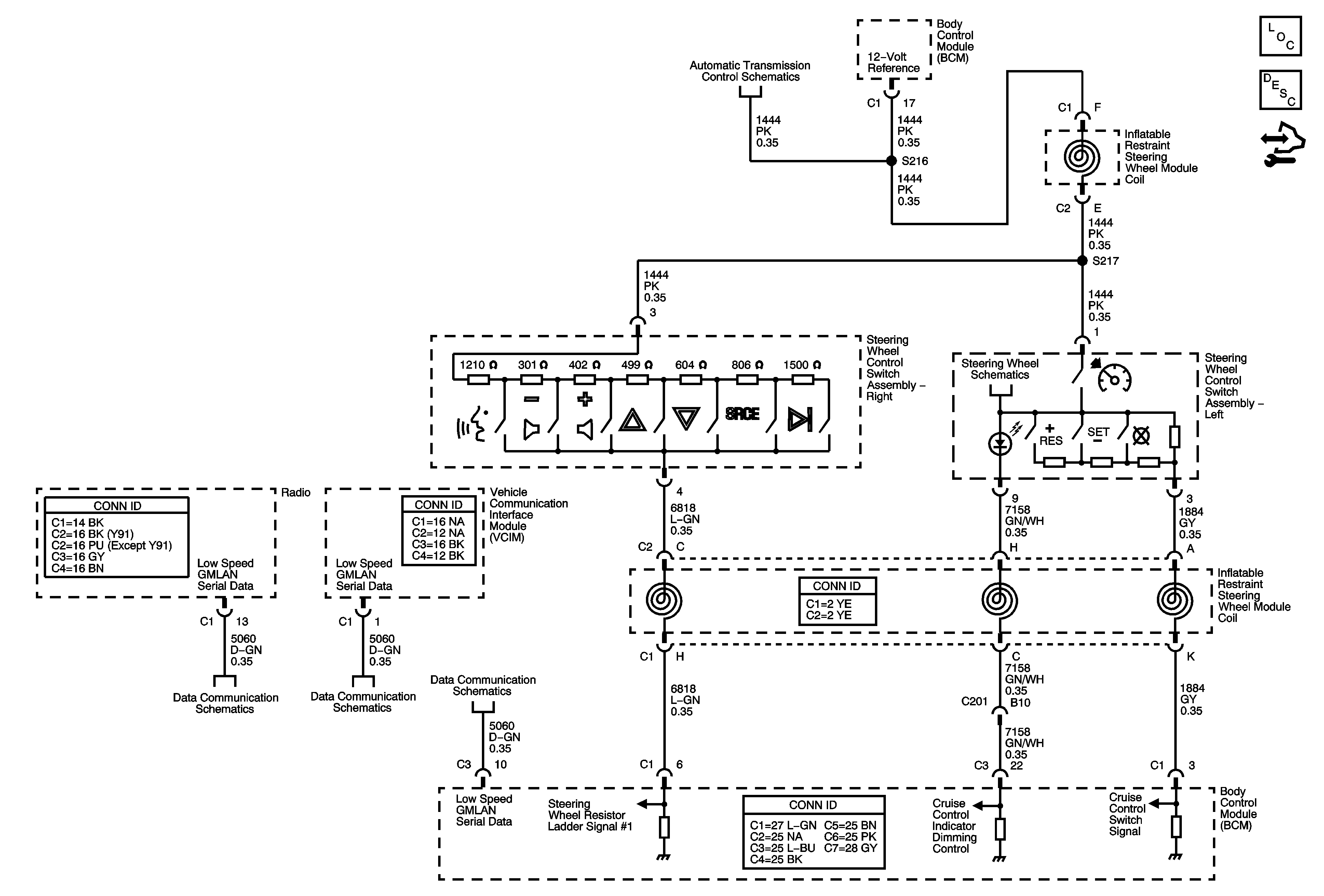
🢒 Steering Wheel Controls
Steering Wheel Controls
Steering Wheel Controls
Master Electrical Component List
Steering Wheel Controls Description and Operation
Control Module References
Low Speed Bus - SP200 - 1 of 3
Low Speed Bus - SP200 - 1 of 3
Low Speed Bus - SP 200 - 2 of 3
Heated Steering Wheel Schematics
Transmission Range Signals and Driver Shift Request