GM Service Manual Online
For 1990-2009 cars only
Makes
🢒
Cadillac
🢒
2007
🢒
Escalade EXT
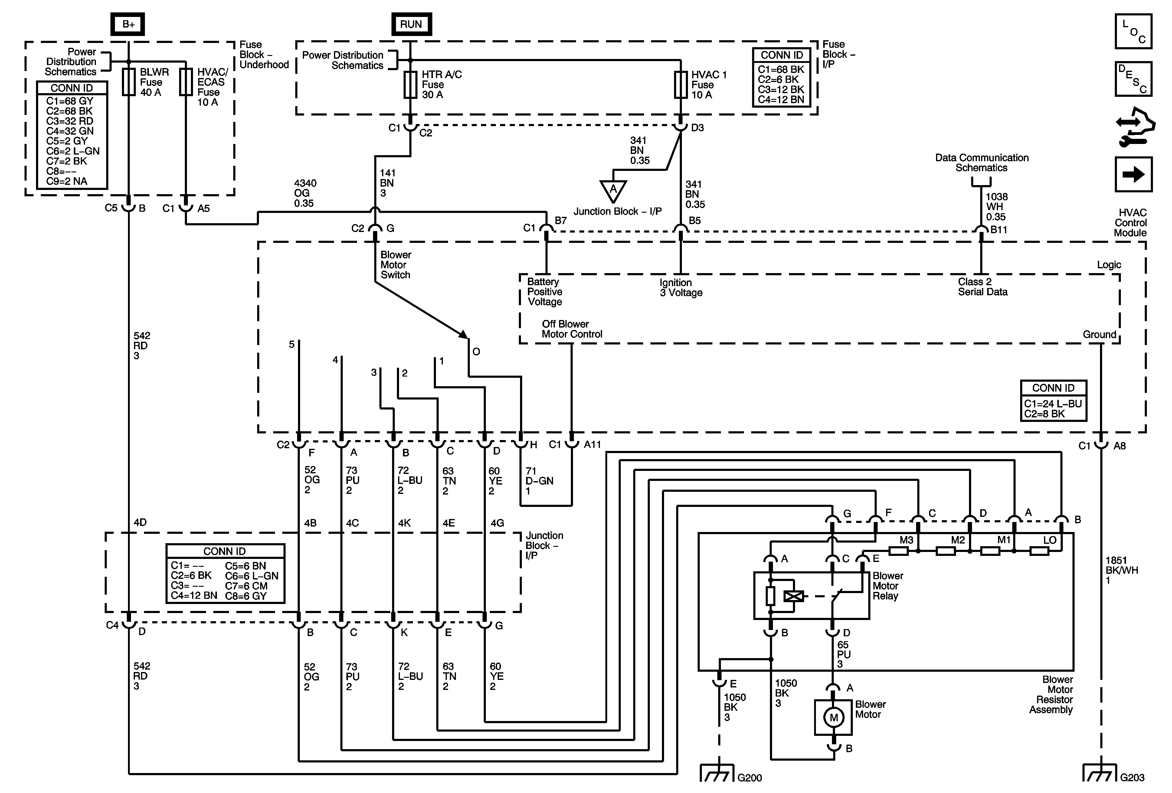
🢒 Power, Ground, Serial Data, and Blower Motor Controls
Power, Ground, Serial Data, and Blower Motor Controls
Power, Ground, Serial Data, and Blower Motor Controls
Master Electrical Component List
Air Delivery Description and Operation
Control Module References
Mode and Recirculating Actuators
B+ Bus Bar
Ignition Switch - START, RUN, and ACC/RUN/START BUS BARS, IGN A, and CRNK Fuses
Mode and Recirculating Actuators
Power, Ground, DLC and Splice Pack SP205
G203 - 1 of 2
G115 and G200 - 1 of 2