GM Service Manual Online
For 1990-2009 cars only
Makes
🢒
Cadillac
🢒
2007
🢒
Escalade EXT
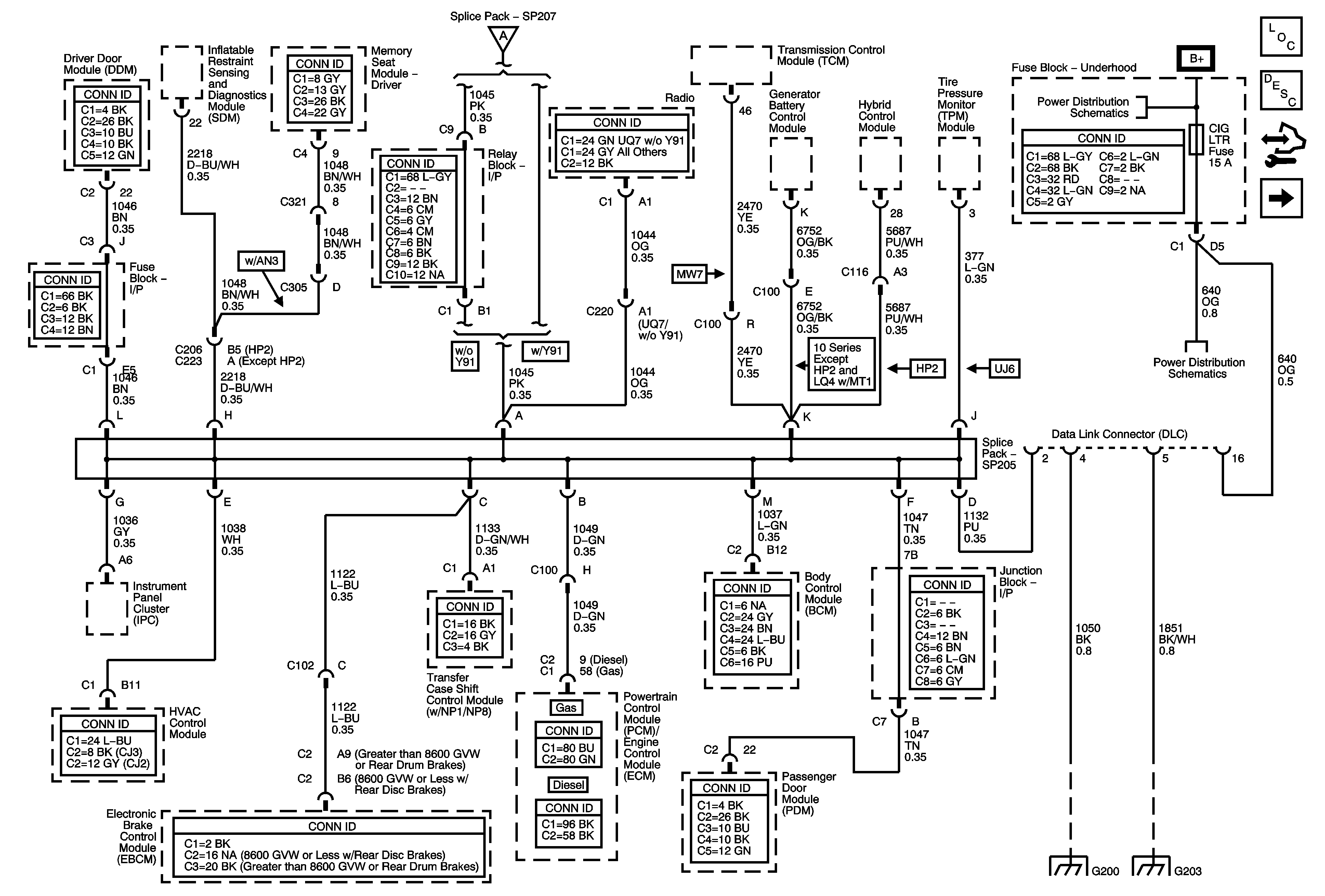
🢒 Power, Ground, DLC and Splice Pack SP205
Power, Ground, DLC and Splice Pack SP205
Power, Ground, DLC, and Splice Pack SP205
Master Electrical Component List
Data Link Communications Description and Operation
Control Module References
Splice Pack SP207
Splice Pack SP207
B+ Bus Bar
CIG LTR, EAP, INFO, and RVC Fuses
G115 and G200 - 1 of 2
G203 - 1 of 2