GM Service Manual Online
For 1990-2009 cars only
Makes
🢒
Cadillac
🢒
2007
🢒
Escalade EXT
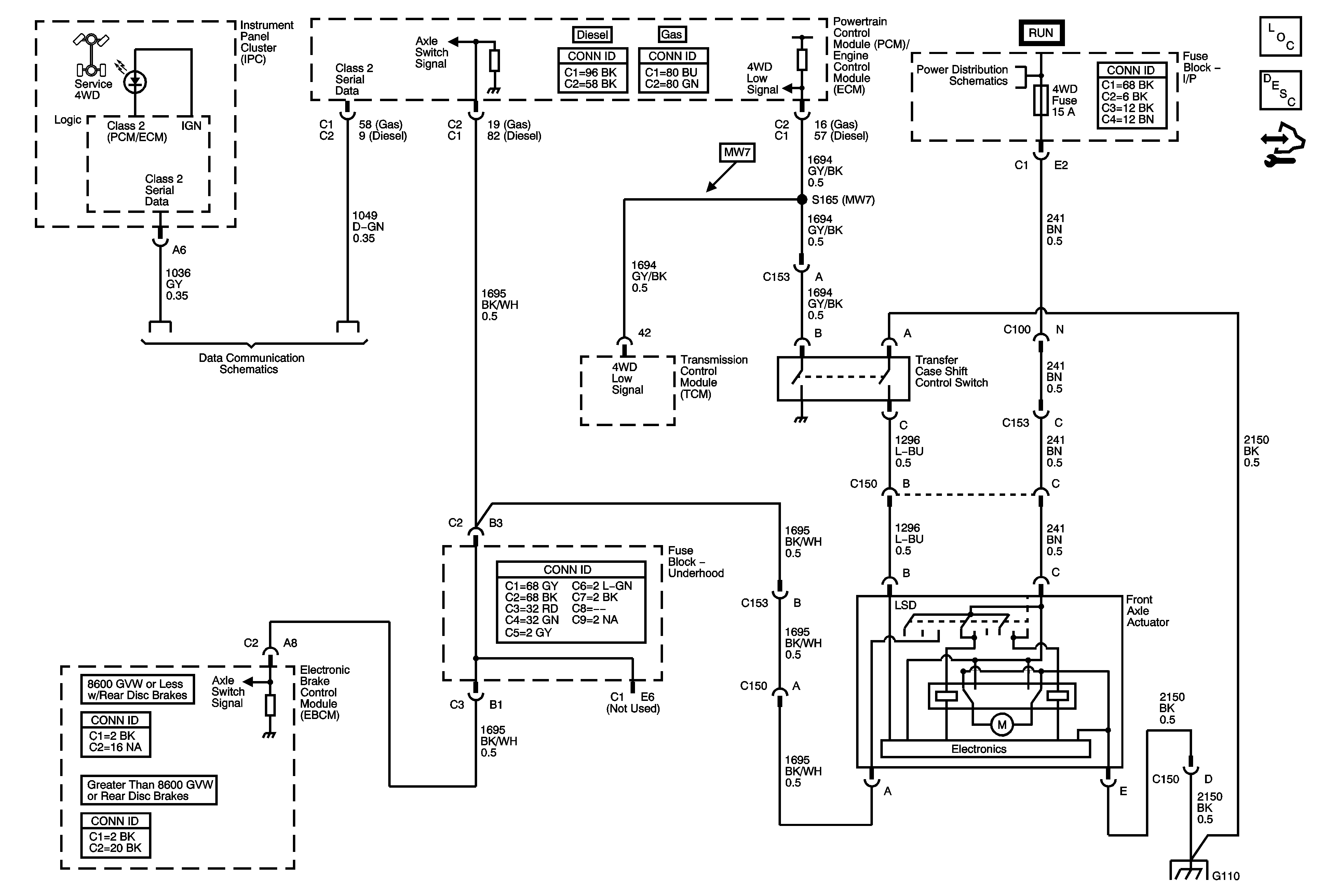
🢒 Transfer Case NVG 261-NP2 Control Schematics
Transfer Case NVG 261-NP2 Control Schematics
Master Electrical Component List
Transfer Case Description and Operation
Control Module References
Power, Ground, DLC and Splice Pack SP205
G104, G107, and G110
Ignition Switch - START, RUN, and ACC/RUN/START BUS BARS, IGN A, and CRNK Fuses