GM Service Manual Online
For 1990-2009 cars only
Makes
🢒
Cadillac
🢒
2007
🢒
Escalade EXT
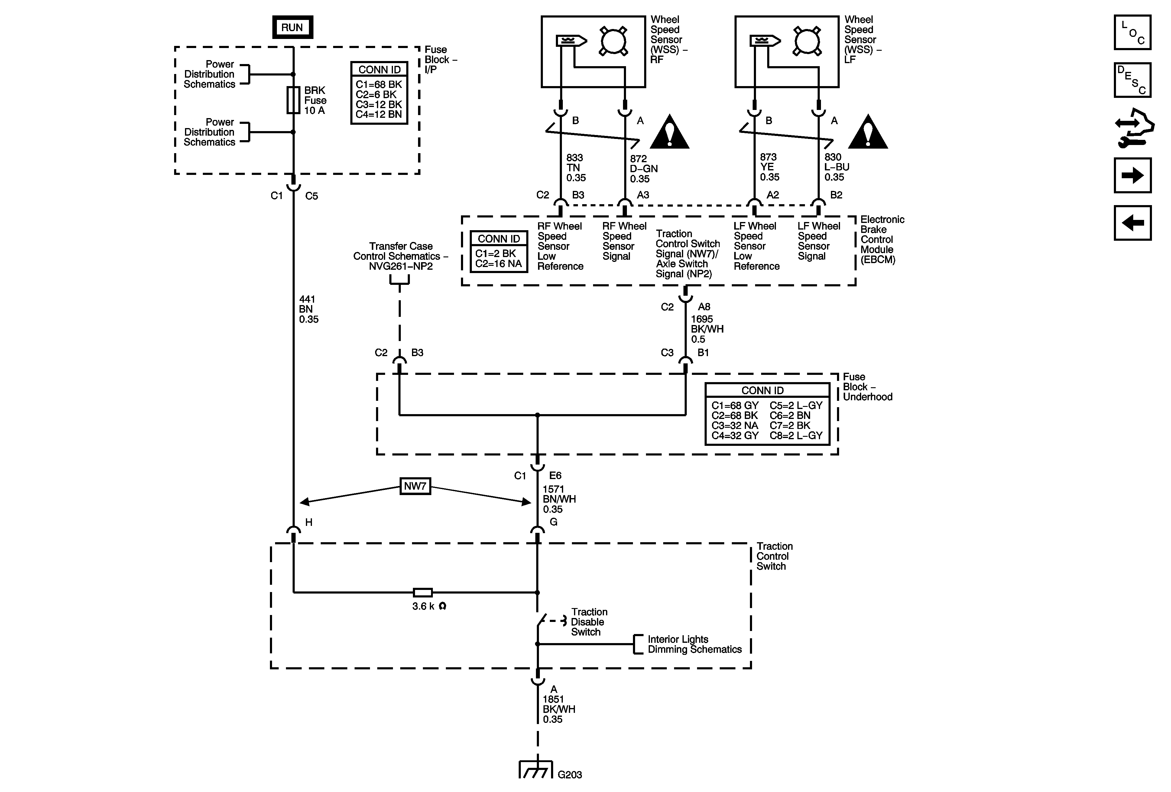
🢒 Traction Control and Wheel Speed Sensors - 8600 GVW or Less w/ Rear Disc Brakes
Traction Control and Wheel Speed Sensors - 8600 GVW or Less w/ Rear Disc Brakes
Traction Control Switch and Wheel Speed Sensors - 8600 GVW or Less w/Rear Disc Brakes
Master Electrical Component List
ABS Description and Operation (8600 GVW or Less W/Rear Disc Brake)
Control Module References
Power, Ground, Serial Data, Indicator and Stop Lamp Switch - All Others
Power, Ground, Serial Data, Indicator and Stop Lamp Switch - 8600 GVW or Less w/ Rear Disc Brakes
Ignition Switch - START, RUN, and ACC/RUN/START BUS BARS, IGN A, and CRNK Fuses
4WD, BRK, CRUISE, HTR/AC, and HVAC 1 Fuses
Antilock Brake System Schematic Icons
Antilock Brake System Schematic Icons
Transfer Case NVG 261-NP2 Control Schematics
I/P Lamps Dimming Control Supply - 1 of 3
G203 - 1 of 2