GM Service Manual Online
For 1990-2009 cars only
Makes
🢒
Cadillac
🢒
2007
🢒
Escalade EXT
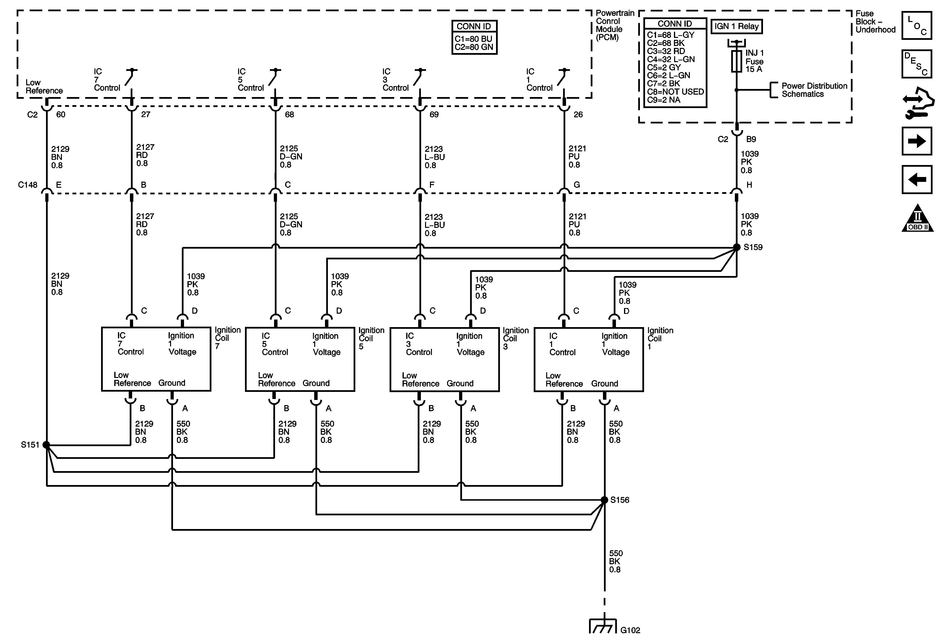
🢒 Ignition Controls - Ignition System Coils 1, 3, 5, 7
Ignition Controls - Ignition System Coils 1, 3, 5, 7
Ignition Controls - Ignition System Coils 1, 3, 5, and 7
Master Electrical Component List
Electronic Ignition (EI) System Description
Control Module References
Ignition Controls - Ignition System Coils 2, 4, 6, 8
Engine Data Sensors - Electronic Throttle Control
Engine Controls Schematic Icons
ETC/ECM, INJ1, INJ2, PCM 1, and SBA Fuses - Gas
ETC/ECM, INJ1, INJ2, PCM 1, and SBA Fuses - Gas
G100 and G102