GM Service Manual Online
For 1990-2009 cars only
Makes
🢒
Cadillac
🢒
2007
🢒
Escalade EXT
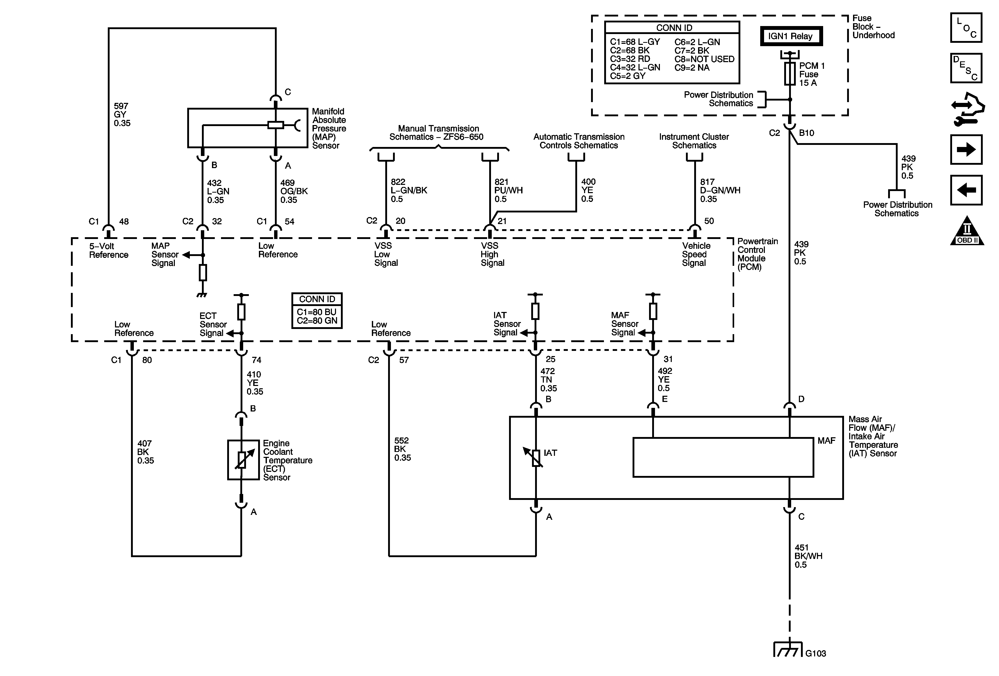
🢒 Engine Data Sensors - Pressure, Temperature, MAF, and VSS
Engine Data Sensors - Pressure, Temperature, MAF, and VSS
Engine Data Sensors - Pressure, Temperature, MAF, and VSS
Master Electrical Component List
Electronic Ignition (EI) System Description
Control Module References
Engine Data Sensors - Oxygen Sensors
Engine Data Sensors - 5-Volt and Low Reference
Engine Controls Schematic Icons
Manual Transmission ZF S6-650 Schematics
Internal Mode Switch (IMS) and Speed Sensors
Gages, Vehicle Speed Sensor, Engine Oil Pressure, and Fuel Level Sensors
ETC/ECM, INJ1, INJ2, PCM 1, and SBA Fuses - Gas
ETC/ECM, INJ1, INJ2, PCM 1, and SBA Fuses - Gas
ETC/ECM, INJ1, INJ2, PCM 1, and SBA Fuses - Gas
G103 and G106 - Gas