GM Service Manual Online
For 1990-2009 cars only
Makes
🢒
Cadillac
🢒
2007
🢒
Escalade EXT
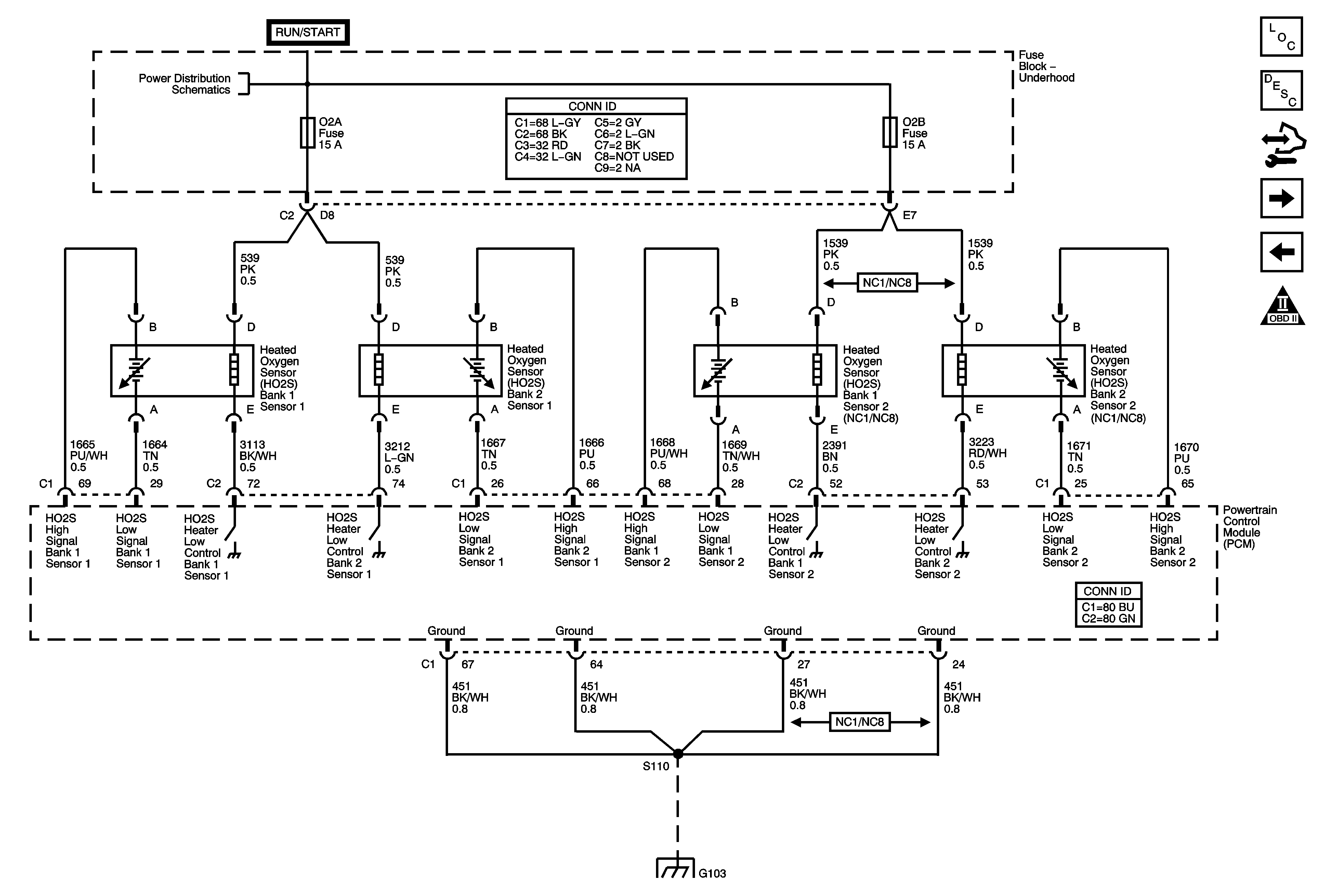
🢒 Engine Data Sensors - Oxygen Sensors
Engine Data Sensors - Oxygen Sensors
Engine Data Sensors - Oxygen Sensors
Master Electrical Component List
Fuel System Description
Control Module References
Engine Data Sensors - Electronic Throttle Control
Engine Data Sensors - Pressure, Temperature, MAF, and VSS
Engine Controls Schematic Icons
Ignition Switch - ACC/RUN and RUN/START BUS BARS and IGN B Fuse
G103 and G106 - Gas