GM Service Manual Online
For 1990-2009 cars only
Makes
🢒
Cadillac
🢒
2007
🢒
Escalade EXT
🢒 Engine Data Sensors - Electronic Throttle Control
Engine Data Sensors - Electronic Throttle Control
Engine Data Sensors - Electronic Throttle Control
Master Electrical Component List
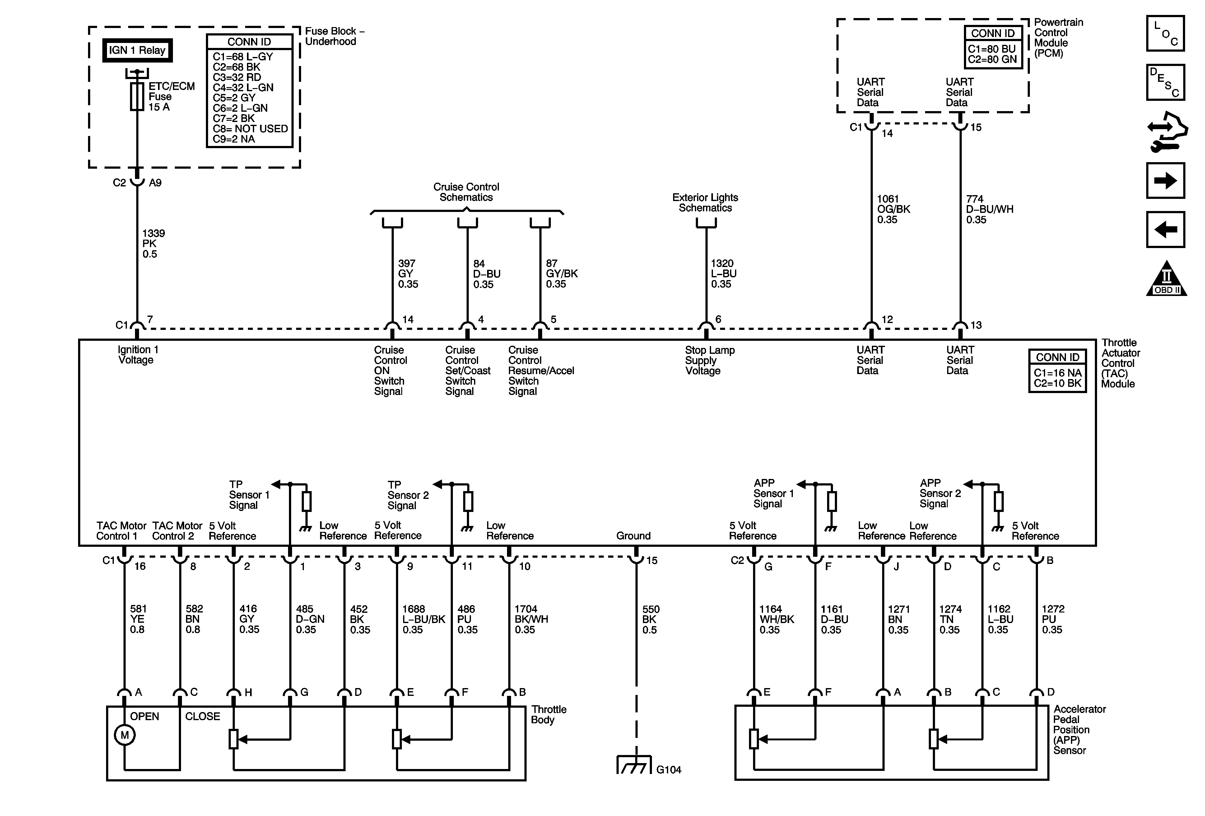
Throttle Actuator Control (TAC) System Description
Control Module References
IIgnition Controls - Ignition System Coils 1, 3, 5, 7
Engine Data Sensors - Oxygen Sensors
Engine Controls Schematic Icons
ETC/ECM, INJ1, INJ2, PCM 1, and SBA Fuses - Gas
4.8L, 5.3L, 6.0L, and 8.1L
Stop Lamp Switch and Signals
G104, G107, and G110