GM Service Manual Online
For 1990-2009 cars only
Makes
🢒
Cadillac
🢒
2007
🢒
Escalade EXT
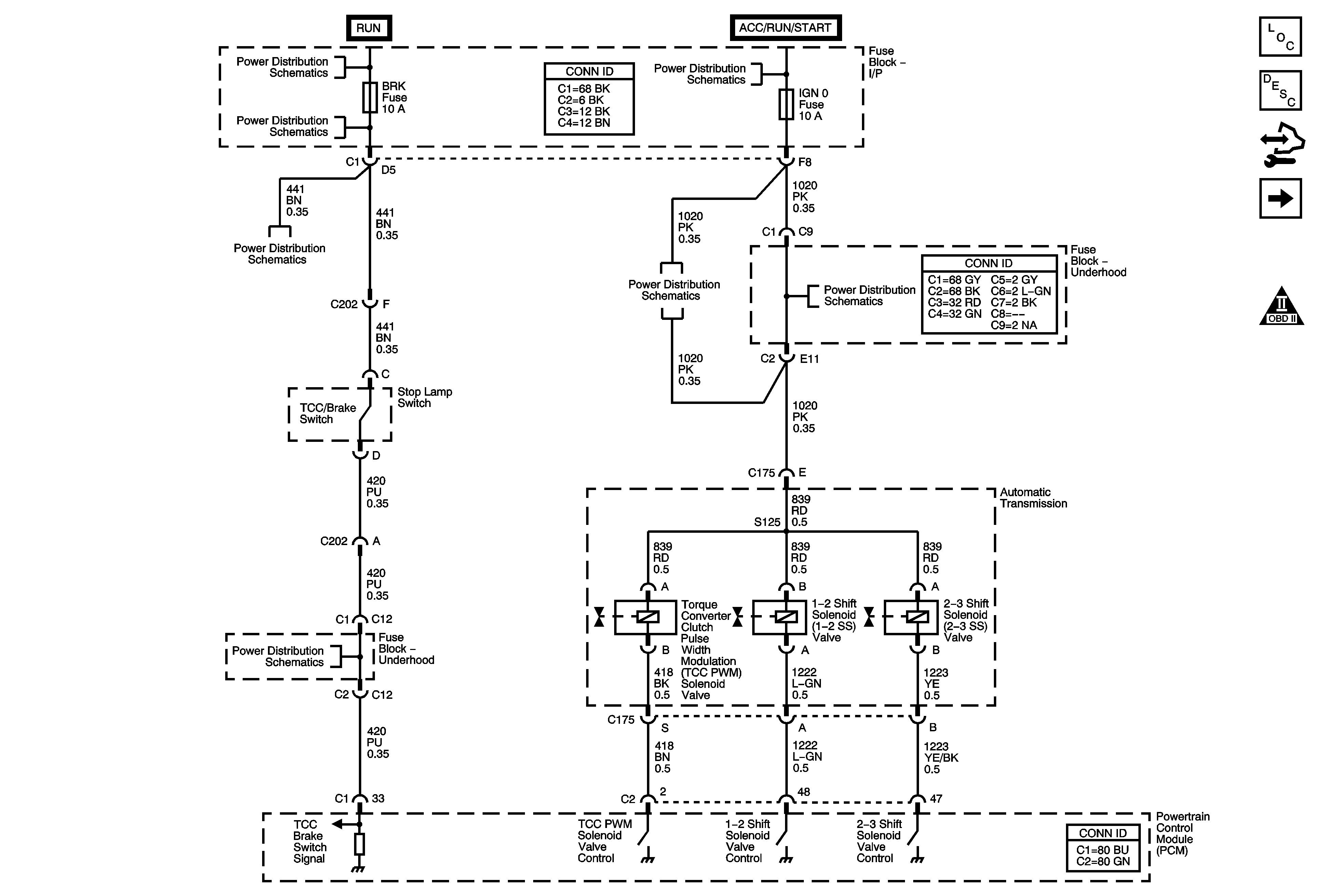
🢒 Shift Controls and Stop Lamp Switch
Shift Controls and Stop Lamp Switch
Shift Controls and Stop Lamp Switch
Master Electrical Component List
Electronic Component Description
Control Module References
Pressure Controls, Temperature, and VSS
Automatic Transmission Schematic Icons
Ignition Switch - START, RUN, and ACC/RUN/START BUS BARS, IGN A, and CRNK Fuses
4WD, BRK, CRUISE, HTR/AC, and HVAC 1 Fuses
4WD, BRK, CRUISE, HTR/AC, and HVAC 1 Fuses
Ignition Switch - START, RUN, and ACC/RUN/START BUS BARS, IGN A, and CRNK Fuses
IGN 0, RR WPR, SEO ACCY, TBC ACCY, TBC IGN 0, and WS WPR Fuses
IGN 0, RR WPR, SEO ACCY, TBC ACCY, TBC IGN 0, and WS WPR Fuses
4WD, BRK, CRUISE, HTR/AC, and HVAC 1 Fuses