GM Service Manual Online
For 1990-2009 cars only
Makes
🢒
Cadillac
🢒
2007
🢒
Escalade EXT
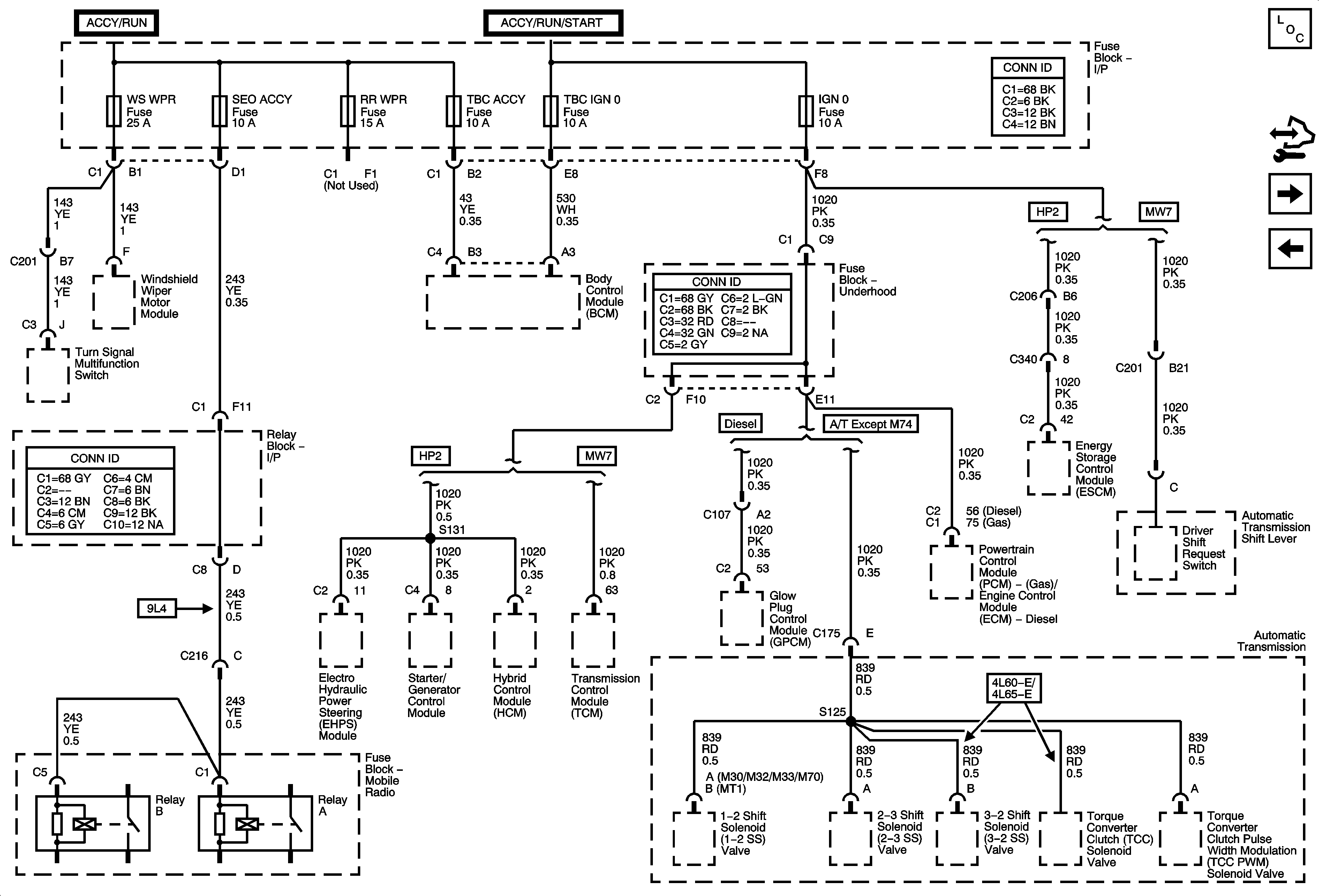
🢒 IGN 0, RR WPR, SEO ACCY, TBC ACCY, TBC IGN 0, and WS WPR Fuses
IGN 0, RR WPR, SEO ACCY, TBC ACCY, TBC IGN 0, and WS WPR Fuses
IGN 0, RR WPR, SEO ACCY, TBC ACCY, TBC IGN 0, and WS WPR Fuses
Master Electrical Component List
Control Module References
COOL PUMP, HYBRID O2A, HYBRID O2B, IGN B, and PWR MAINT Fuses
ECM 1, EHPS-I, FUEL HTR, and HCM-I Fuses