GM Service Manual Online
For 1990-2009 cars only
Makes
🢒
Cadillac
🢒
2007
🢒
Escalade EXT
🢒 Actuators (except YE9)
Actuators (except YE9)
Actuators (Except YE9)
Master Electrical Component List
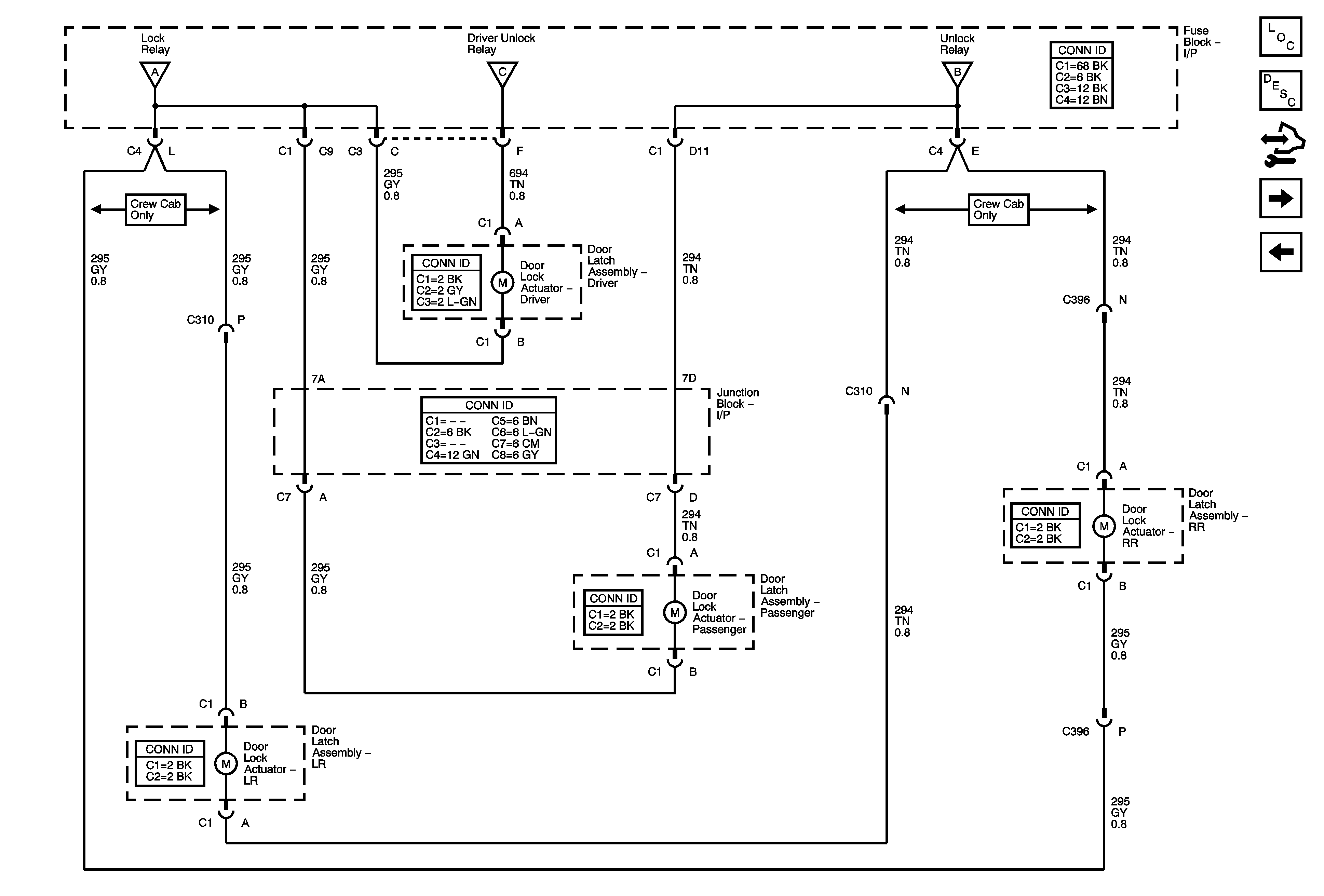
Power Door Locks Description and Operation
Control Module References
Switches and Front Door Actuators (YE9)
Relays and Switches (except YE9)
Relays and Switches (except YE9)
Relays and Switches (except YE9)
Relays and Switches (except YE9)