GM Service Manual Online
For 1990-2009 cars only
Makes
🢒
Cadillac
🢒
2007
🢒
Escalade EXT
🢒 Switches and Front Door Actuators (YE9)
Switches and Front Door Actuators (YE9)
Switches and Front Door Actuators (YE9)
Master Electrical Component List
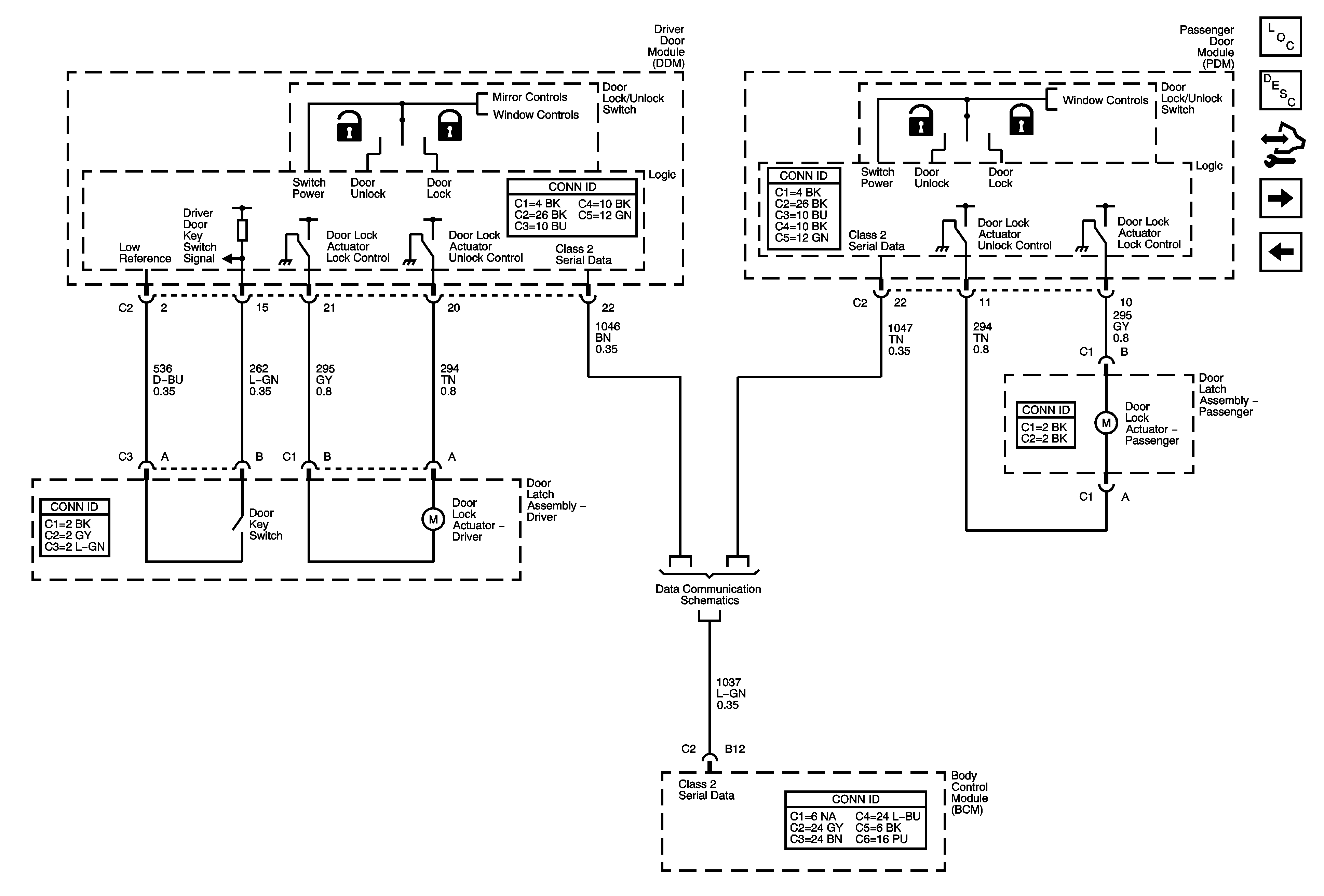
Power Door Locks Description and Operation
Control Module References
Relays and Actuators (YE9) - Crew Cab
Actuators (except YE9)
Outside Rearview Mirror Schematics
Left Doors
Power, Ground, DLC and Splice Pack SP205
Right Doors