GM Service Manual Online
For 1990-2009 cars only
Makes
🢒
Cadillac
🢒
2007
🢒
Escalade EXT
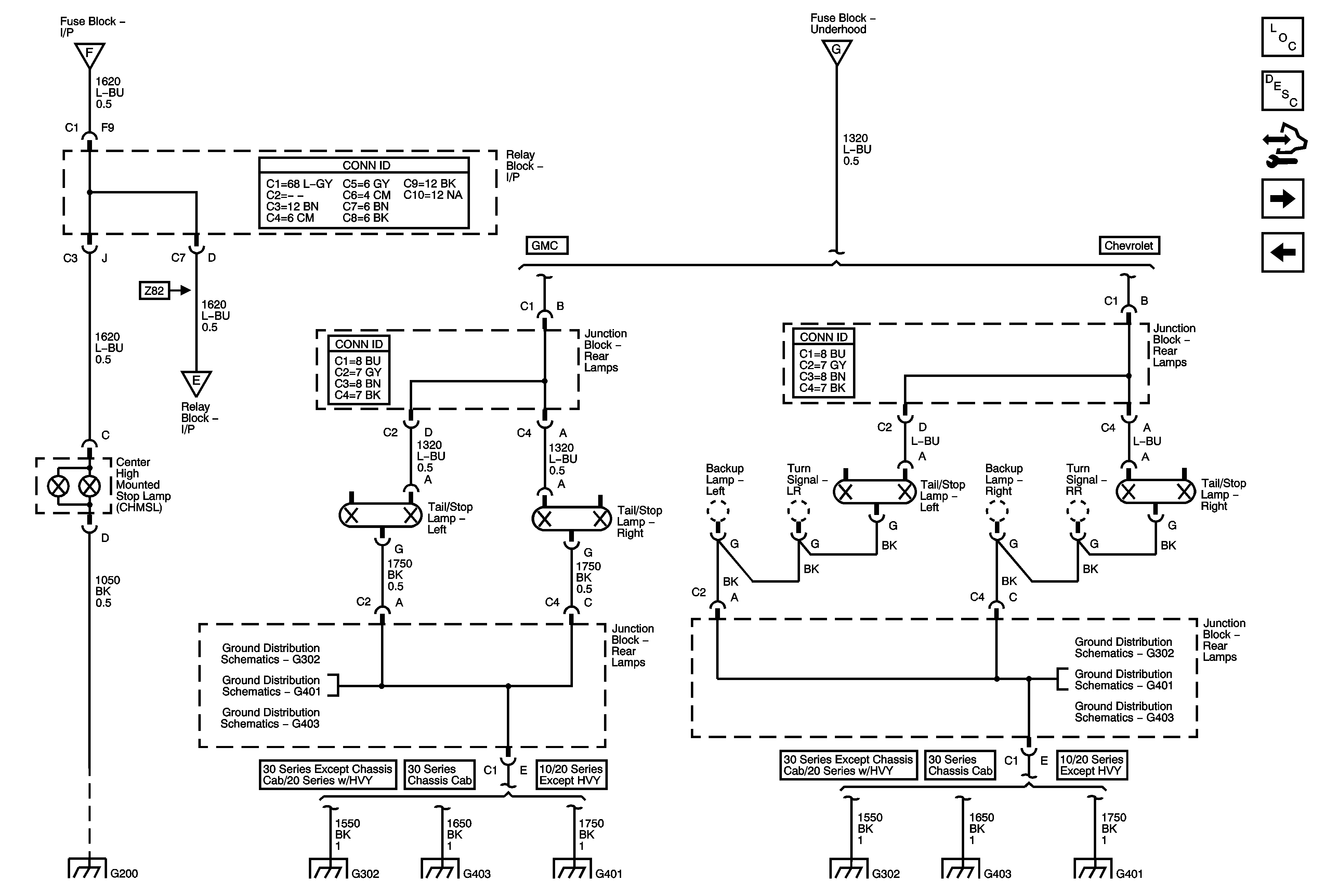
🢒 Stop Lamps
Stop Lamps
Stop Lamps
Master Electrical Component List
Exterior Lighting Systems Description and Operation
Control Module References
Turn Signal/Hazard Switch and Flasher Module
Stop Lamp Switch and Signals
Stop Lamp Switch and Signals
Stop Lamp Switch and Signals
Trailer and Camper Wiring
G302
G401
G403
G200 - 2 of 2
G302
G403
G401
G302
G403
G401
G302
G403
G401