GM Service Manual Online
For 1990-2009 cars only
Makes
🢒
Cadillac
🢒
2007
🢒
Escalade EXT
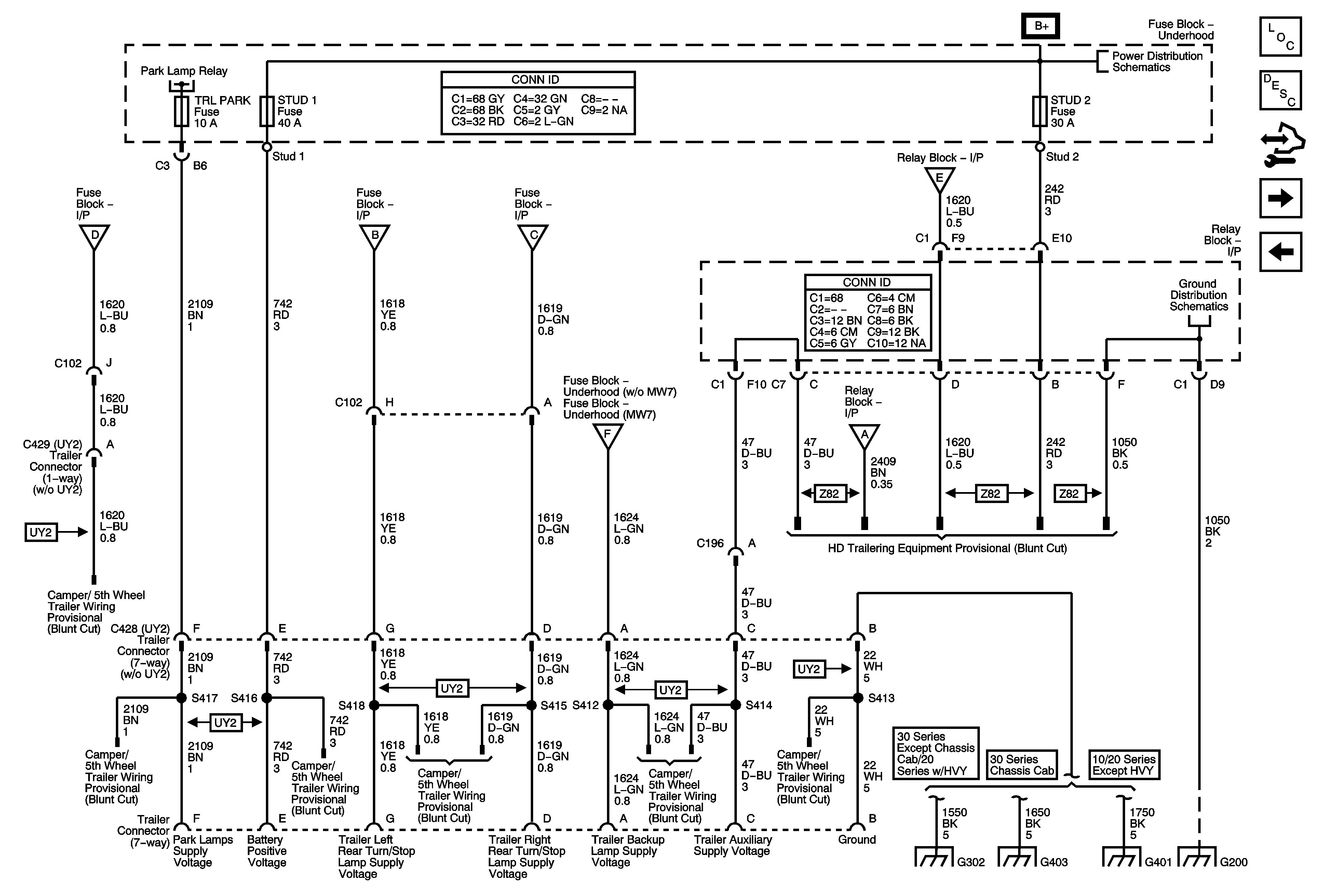
🢒 Trailer and Camper Wiring
Trailer and Camper Wiring
Trailer and Camper Wiring
Master Electrical Component List
Exterior Lighting Systems Description and Operation
Control Module References
Roof Beacon Lighting (5G4/TRW)
Backup Lamps (MW7)
B+ Bus Bar
Park Lamp Relay Control and Front Park Lamps
Stop Lamp Switch and Signals
Stop Lamp Switch and Signals
Stop Lamps
Backup Lamps (except MW7)
Backup Lamps (MW7)
Interior Park
G203 - 2 of 2
G403
G401
G115 and G200 - 1 of 2
G200 - 2 of 2