GM Service Manual Online
For 1990-2009 cars only
Makes
🢒
Cadillac
🢒
2007
🢒
Escalade EXT
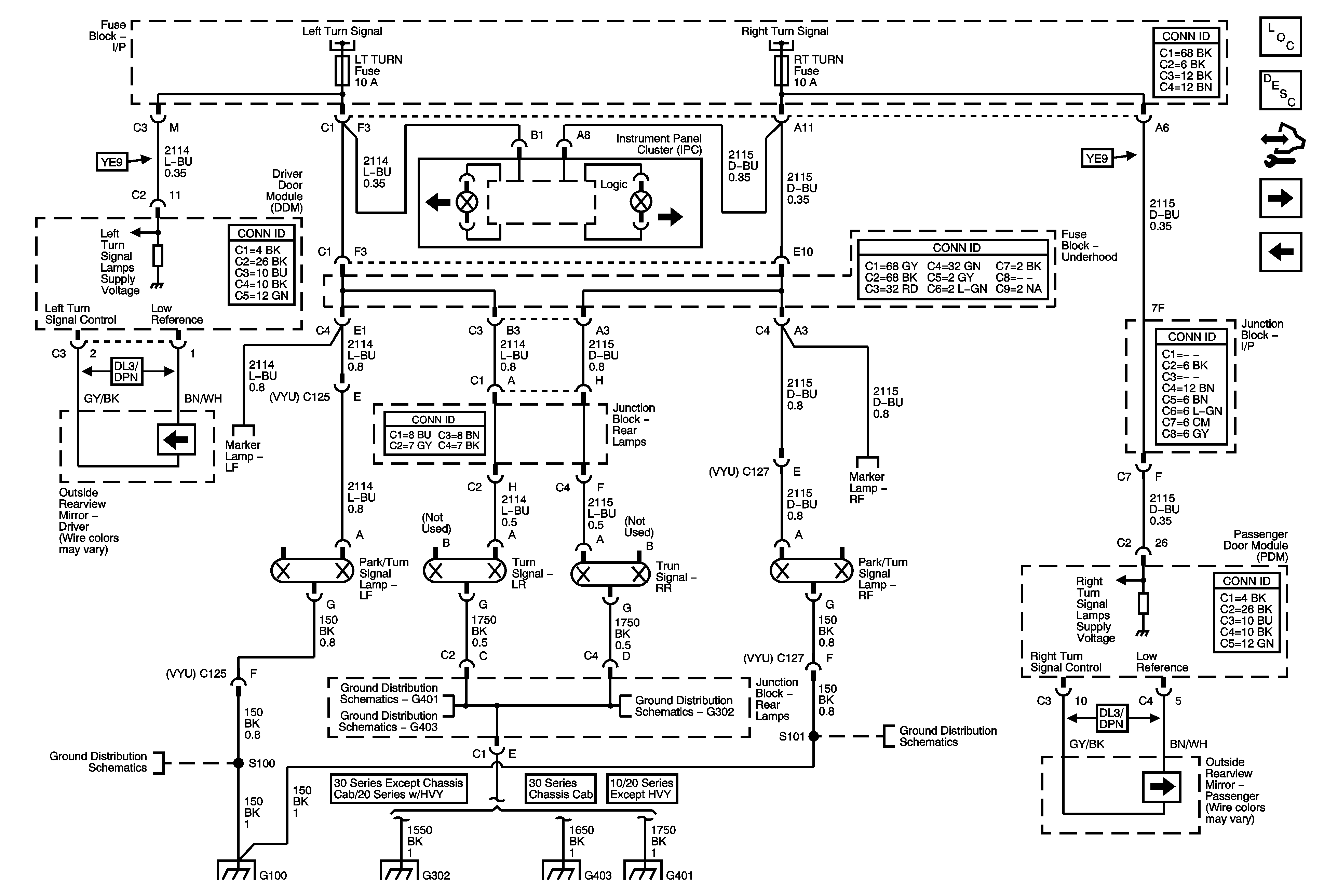
🢒 Turn Signals - GMC
Turn Signals - GMC
Turn Signals - GMC
Master Electrical Component List
Exterior Lighting Systems Description and Operation
Control Module References
Turn Signals - Chevrolet
Turn Signal/Hazard Switch and Flasher Module
Turn Signal/Hazard Switch and Flasher Module
Turn Signal/Hazard Switch and Flasher Module
Turn Signals - Chevrolet
G100 and G102
G401
G403
G100 and G102
G302
G403
G401
G302
Turn Signals - Chevrolet
G100 and G102