GM Service Manual Online
For 1990-2009 cars only
Makes
🢒
Cadillac
🢒
2007
🢒
Escalade EXT
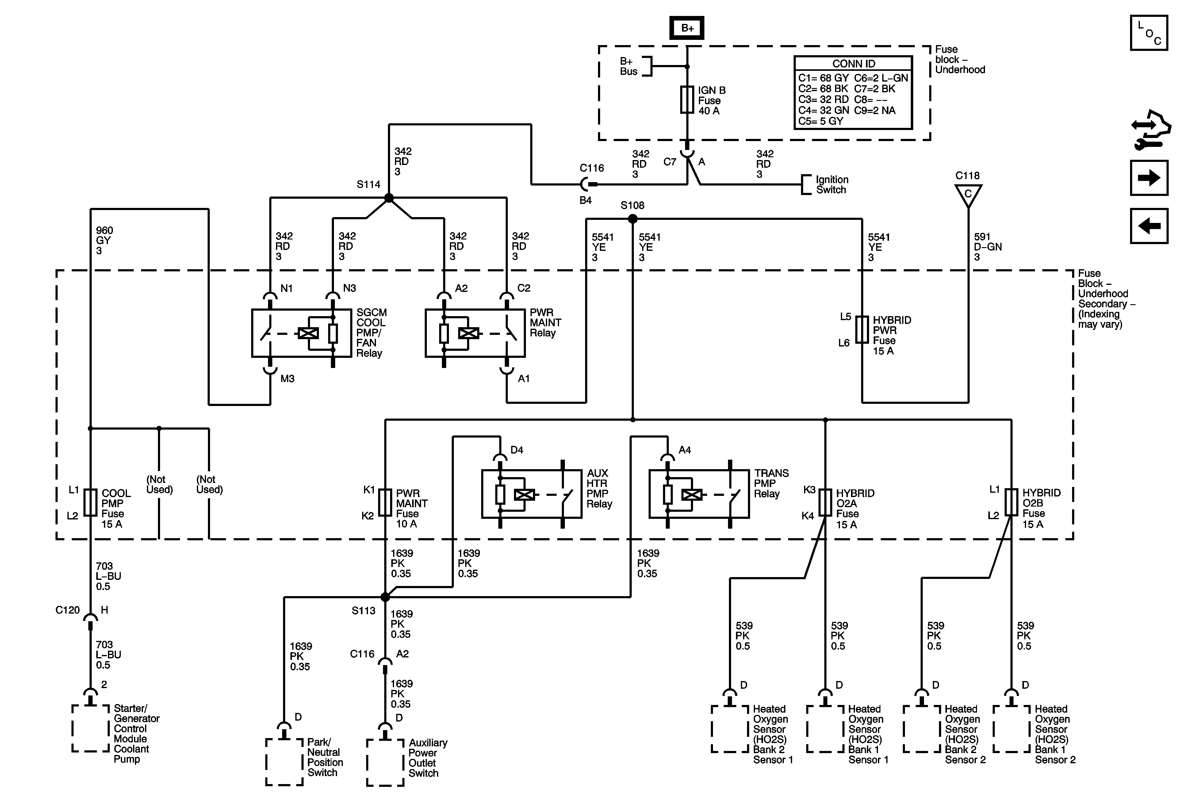
🢒 COOL PUMP, HYBRID O2A, HYBRID O2B, IGN B, and PWR MAINT Fuses
COOL PUMP, HYBRID O2A, HYBRID O2B, IGN B, and PWR MAINT Fuses
COOL PMP, HYBRID O2A, HYBRID O2B, IGN B, and PWR MAINT Fuses
Master Electrical Component List
Control Module References
LT TRLR ST/TRN, LT TRN, RT TRLR ST/TRN, and RT TRN Fuses
IGN 0, RR WPR, SEO ACCY, TBC ACCY, TBC IGN 0, and WS WPR Fuses
B+ Bus Bar
Ignition Switch - ACC/RUN and RUN/START BUS BARS and IGN B Fuse
ETC/ECM, INJ1, INJ2, PCM 1, and SBA Fuses - Gas