GM Service Manual Online
For 1990-2009 cars only
Makes
🢒
Cadillac
🢒
2007
🢒
Escalade EXT
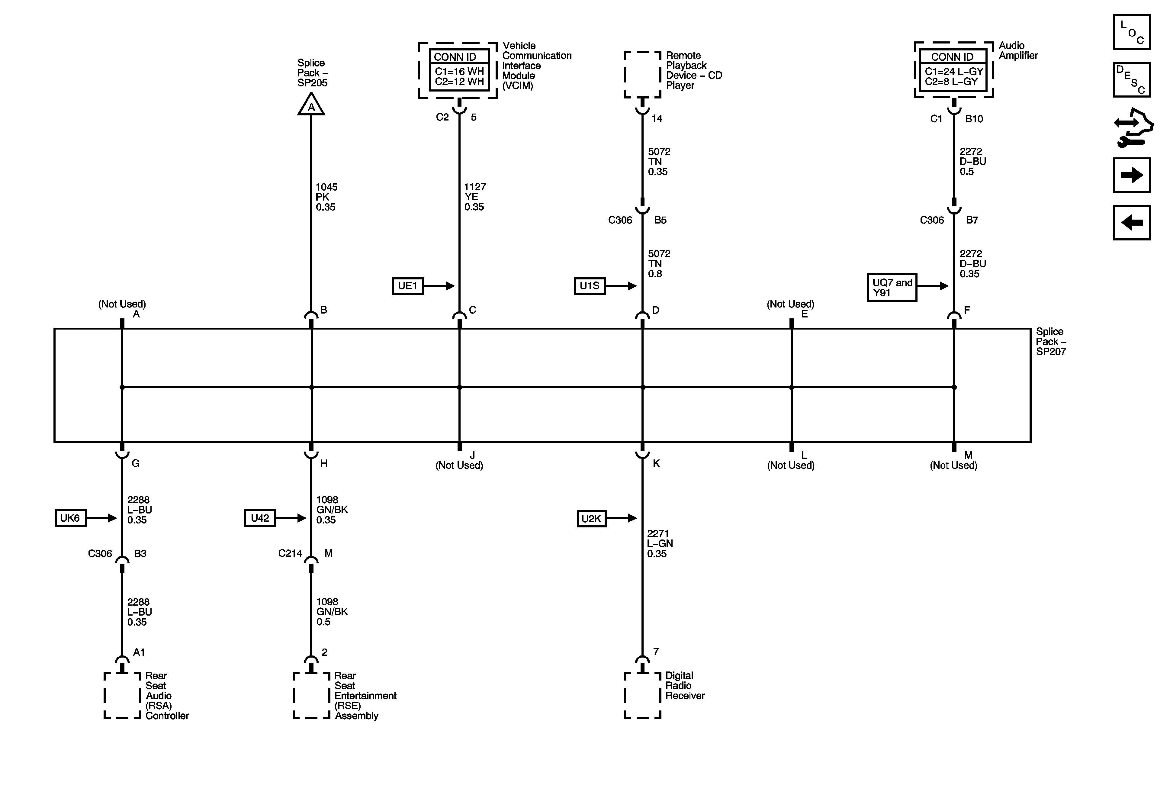
🢒 Splice Pack SP207
Splice Pack SP207
Splice Pack SP207
Master Electrical Component List
Data Link Communications Description and Operation
Control Module References
High Speed GM LAN 8.1L and Diesel
Power, Ground, DLC and Splice Pack SP205
Power, Ground, DLC and Splice Pack SP205