GM Service Manual Online
For 1990-2009 cars only
Makes
🢒
Cadillac
🢒
2007
🢒
Escalade EXT
🢒 High Speed GM LAN (HP2)
High Speed GM LAN (HP2)
High Speed GM LAN (HP2)
Master Electrical Component List
Data Link Communications Description and Operation
Control Module References
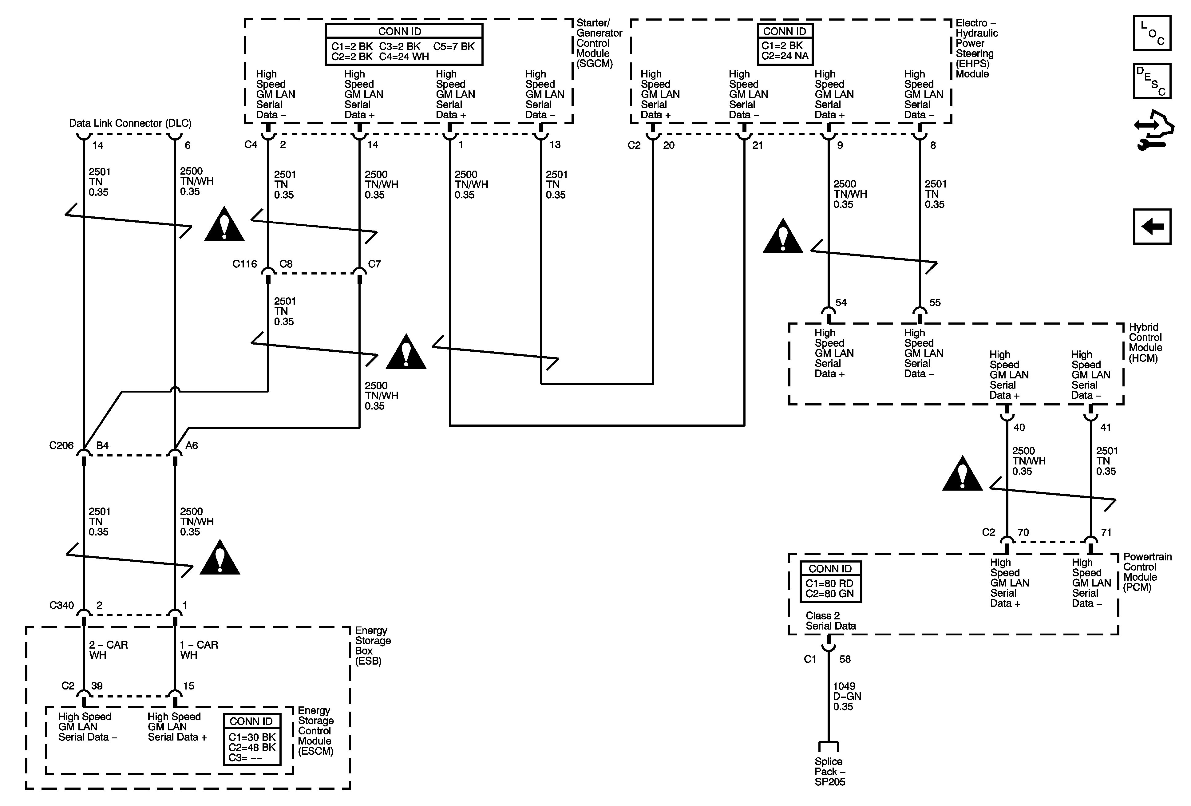
High Speed GM LAN 8.1L and Diesel
Power, Ground, DLC and Splice Pack SP205
Data Communication Schematic Icons
Data Communication Schematic Icons
Data Communication Schematic Icons
Data Communication Schematic Icons
Data Communication Schematic Icons