GM Service Manual Online
For 1990-2009 cars only
Makes
🢒
Cadillac
🢒
2007
🢒
Escalade EXT
🢒 4.3L
4.3L
4.3L
Master Electrical Component List
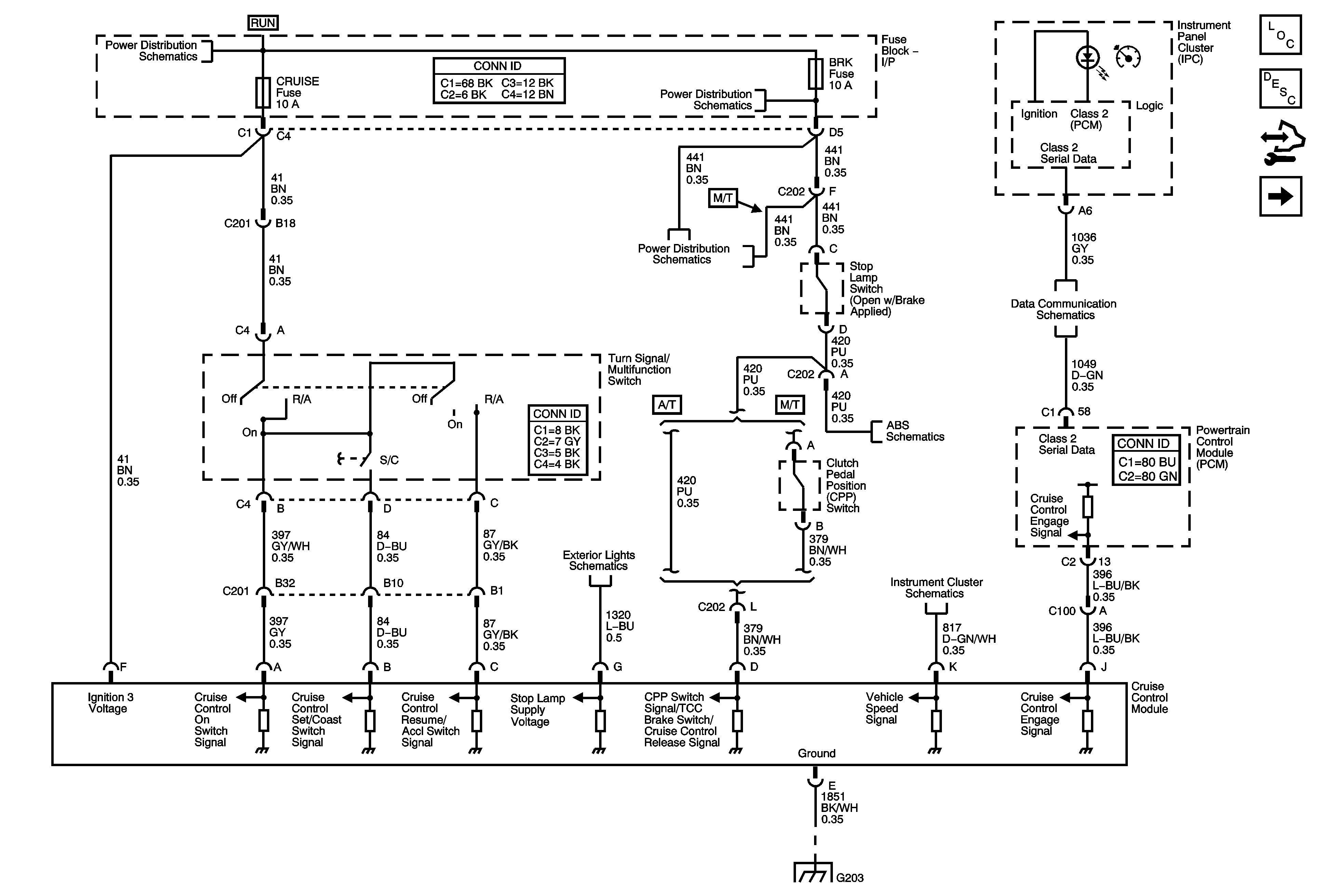
Cruise Control Description and Operation (4.3L)
Control Module References
4.8L, 5.3L, 6.0L, and 8.1L
Ignition Switch - START, RUN, and ACC/RUN/START BUS BARS, IGN A, and CRNK Fuses
4WD, BRK, CRUISE, HTR/AC, and HVAC 1 Fuses
4WD, BRK, CRUISE, HTR/AC, and HVAC 1 Fuses
Stop Lamp Switch and Signals
Power, Ground, DLC and Splice Pack SP205
Power, Ground, Serial Data, Indicator and Stop Lamp Switch - 8600 GVW or Less w/ Rear Disc Brakes
Gages, Vehicle Speed Sensor, Engine Oil Pressure, and Fuel Level Sensors
G203 - 1 of 2