GM Service Manual Online
For 1990-2009 cars only
Makes
🢒
Cadillac
🢒
2007
🢒
Escalade EXT
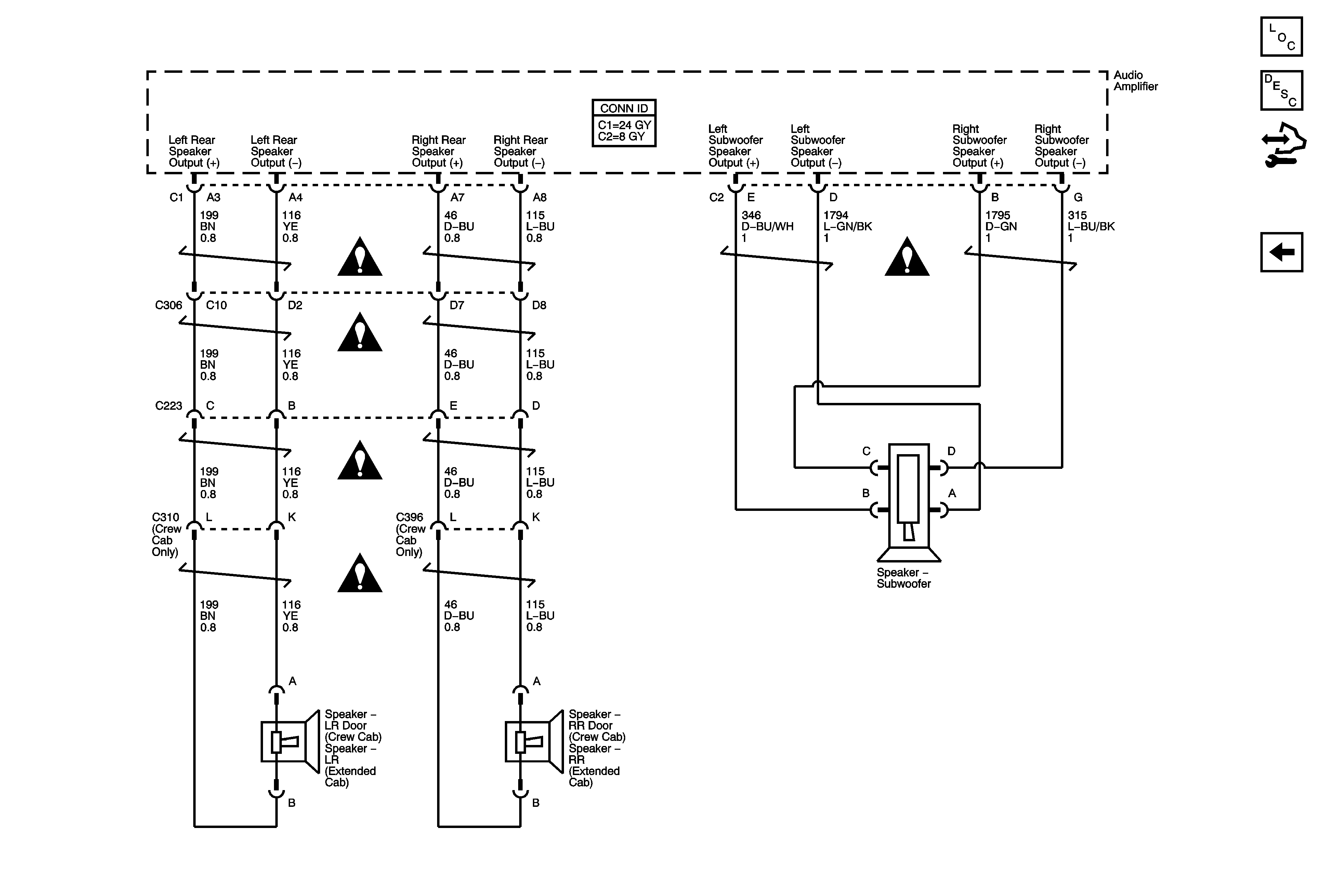
🢒 Rear Speakers and Subwoofer
Rear Speakers and Subwoofer
Rear Speakers and Subwoofer
Master Electrical Component List
Radio/Audio System Description and Operation
Control Module References
Front Speakers
Entertainment/Communication Schematic Icons
Entertainment/Communication Schematic Icons
Entertainment/Communication Schematic Icons