GM Service Manual Online
For 1990-2009 cars only
Makes
🢒
Cadillac
🢒
2007
🢒
Escalade EXT
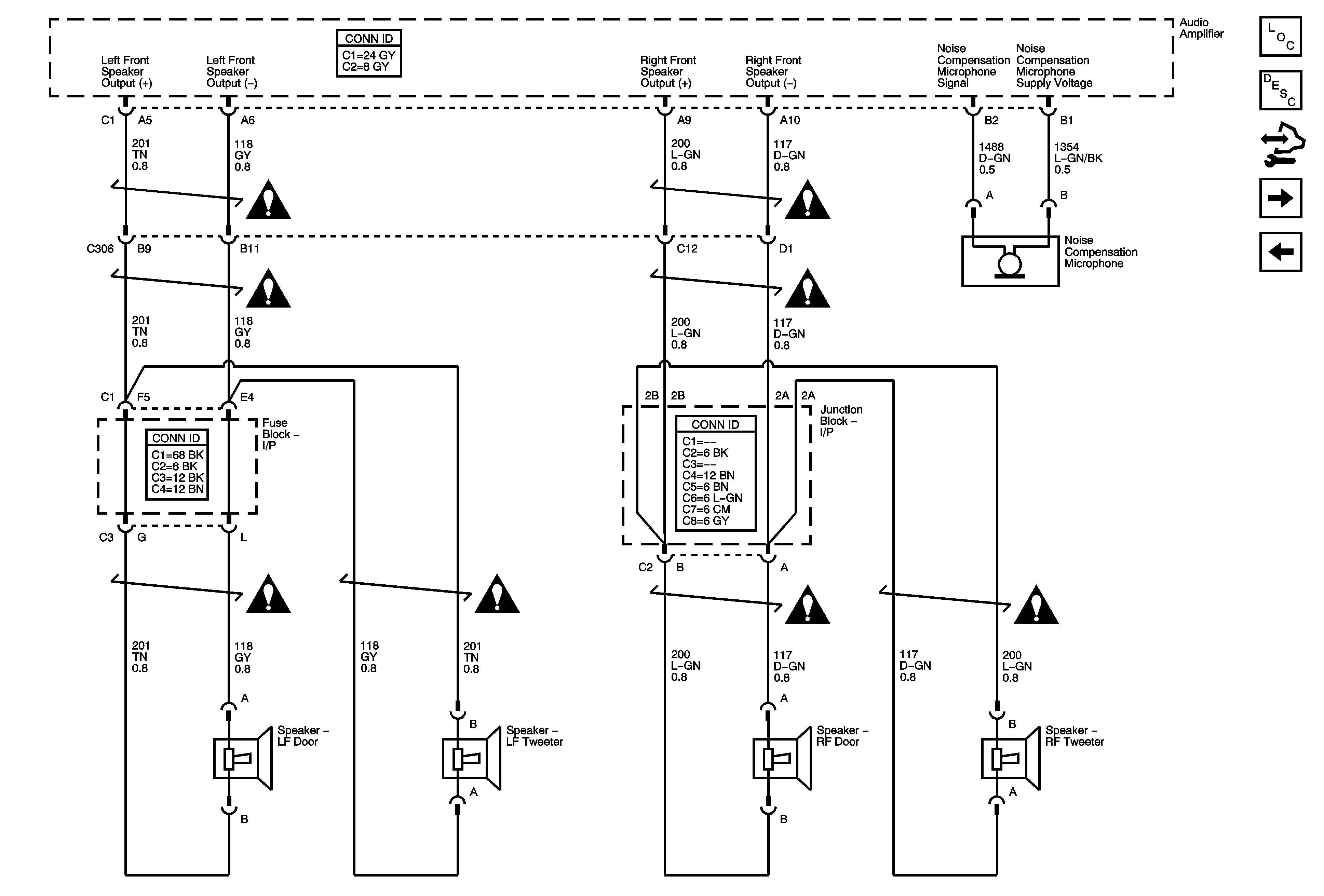
🢒 Front Speakers
Front Speakers
Front Speakers
Master Electrical Component List
Radio/Audio System Description and Operation
Control Module References
Rear Speakers and Subwoofer
Rear Seat Audio (RSA) Controller and Amplifier
Entertainment/Communication Schematic Icons
Entertainment/Communication Schematic Icons
Entertainment/Communication Schematic Icons
Entertainment/Communication Schematic Icons
Entertainment/Communication Schematic Icons
Entertainment/Communication Schematic Icons