GM Service Manual Online
For 1990-2009 cars only
Makes
🢒
Cadillac
🢒
2007
🢒
Escalade EXT
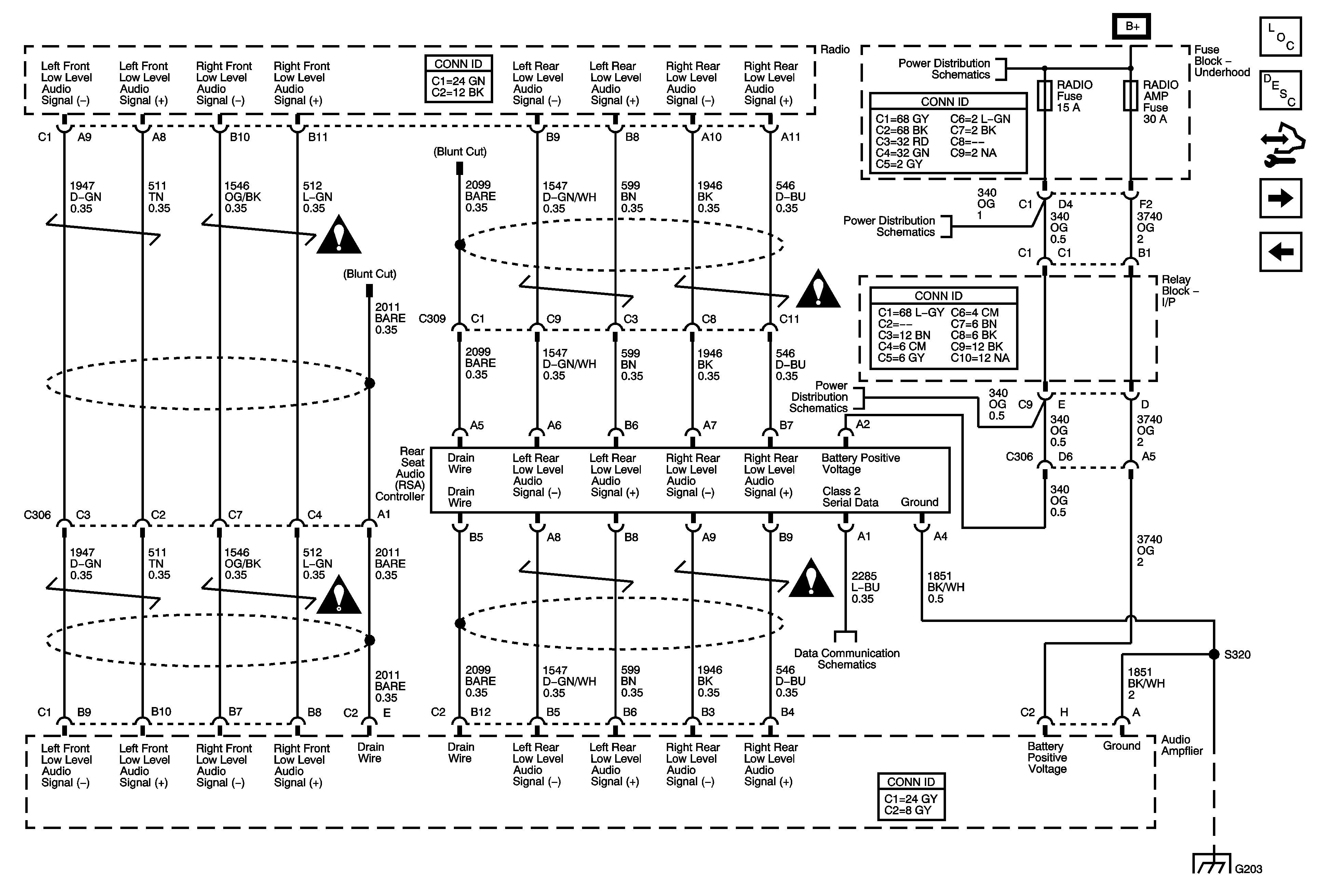
🢒 Amplifier and Rear Seat Audio (RSA) Controller (D07 w/o UK6)
Amplifier and Rear Seat Audio (RSA) Controller (D07 w/o UK6)
Amplifier and Rear Seat Audio (RSA) Controller (D07/UK6)
Master Electrical Component List
Radio/Audio System Description and Operation
Control Module References
Front Speakers
Amplifier (D07 w/o UK6)
Entertainment/Communication Schematic Icons
Entertainment/Communication Schematic Icons
B+ Bus Bar
Entertainment/Communication Schematic Icons
RADIO, RADIO/AMP, and S/ROOF Fuses
RADIO, RADIO/AMP, and S/ROOF Fuses
Entertainment/Communication Schematic Icons
Splice Pack SP207
G203 - 1 of 2