GM Service Manual Online
For 1990-2009 cars only
Makes
🢒
Cadillac
🢒
2007
🢒
Escalade EXT
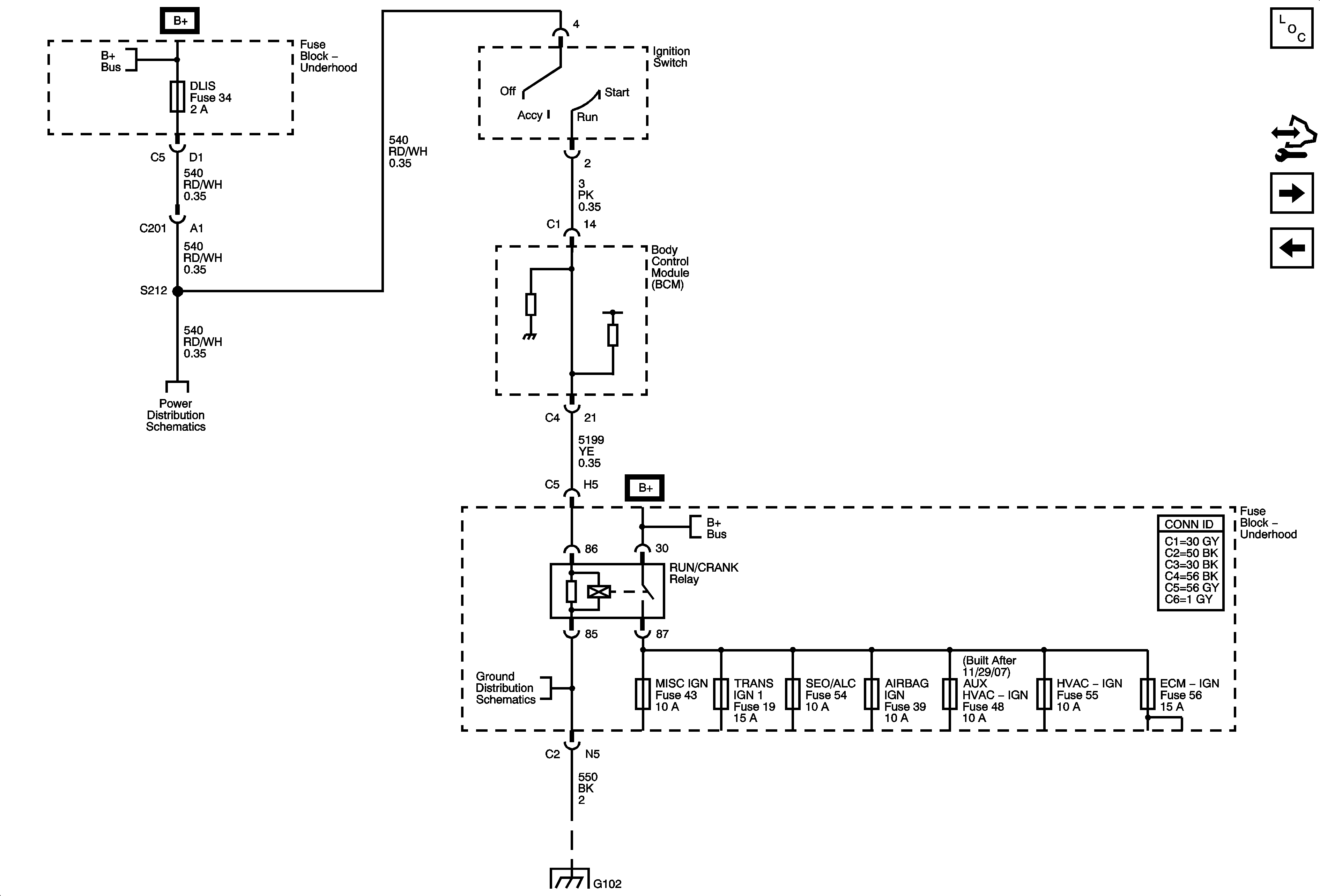
🢒 Ignition 2 and 3 Voltage
Ignition 2 and 3 Voltage
Ignition 2 and 3 Voltage
Master Electrical Component List
Power Mode Description and Operation
Control Module References
Ignition 1 Voltage
Ignition 3 and Accessory Voltage
B+ Bus - 1 of 3
DLIS Fuse and Ignition Switch
B+ Bus - 3 of 3
G102 and G108
G102 and G108